µ¡´ï¤Î²þ¤¡¢½¤Íý¡¡¡¡Ìܼ¡
¥³¥á¥ó¥È
FT817+HL50B ¤Î¾ÃÈñÅÅή¡¡2025/1/13
°Üư±¿ÍѤ˻ȤäƤ¤¤ëFT817+HL50B¤Î¾ÃÈñÅÅή¤ò¬Äꤷ¤Æ¤ß¤¿¡£
¤¤¤Ä¤â¤ÎÀßÄê¤Ç24.9MHz FT8 ¤ÇBluetooth¥¢¥À¥×¥¿¤â´Þ¤ó¤Ç¤¤¤ë¡£
| 13.1V | RX | RX¡ÜHL50B on | TX 23W | TX 34W | TX 38W |
|---|---|---|---|---|---|
| (A) | 0.36 | ¡¡0.57 | ¡¡6.7 | ¡¡7.9 | ¡¡8.3 |
¥ê¥ó»ÀÅ´¥ê¥Á¥¦¥à¥¤¥ª¥óÅÅÃÓ18AH¤Ë¤Æ30¡Á40W½ÐÎϤÇ2»þ´Ö¤ò3²ó¤Ï»È¤¨¤Æ¤ë¡£
¤ä¤Ï¤ê°Üư¤Ë¤Ï¥Ý¡¼¥¿¥Ö¥ëµ¡¡Ü50W¥¢¥ó¥×¤¬ÅÅÎϸúΨ¤¬Îɤ¯ºÇŬ¤Ç¤¢¤ë¡£
¤Ê¤ªIC7300¤ÏRX 0.95A,TX 40W 12.7A ¤Ç¤¢¤Ã¤¿¡£°Üư¤Ë¤Ï»È¤¨¤Ê¤¤¡£
FPGA¤äDSP¤â¹â®¤À¤·½ªÃÊ100W¤ò50W¤Ç»È¤¦¤È¸úΨ¤¬°¤¯¤Ê¤ë¡£
Yaesu ¸ß´¹¥Þ¥¤¥¯ MH-42B ¤Î²þ¤¡¡2024/12/14-19
Yaesu¤Î¥Þ¥¤¥¯MH-42b6j¤¬É¬Íפˤʤꡢ¥Õ¥ê¥Þ¤Ç¸ß´¹¥Þ¥¤¥¯¤¬°Â¤«¤Ã¤¿¤Î¤Ç¹ØÆþ¤·¤¿¡£
EMPIREȬ½Å½§ÍÑMH-42B¤Ç¡¢Æ°¤¯¤â¤Î¤Î¥â¥Ë¥¿¡¼¤¹¤ë¤È²»¤¬°¤¯´¶¤¸¤¿¡£
¤Þ¤¿PTT.Up.Down¥¡¼¤Ïư¤¯¤¬¡¢Â¾¤Î£´¤Ä¤Î¥¡¼¤Ïư¤«¤Ê¤¤¡£
¡ÊAmazon¥ì¥Ó¥å¡¼¤Ë¤âÁ°ÌÌ¥¡¼¤Ïư¤«¤Ê¤¤¤È½ñ¤¤¤Æ¤¢¤Ã¤¿¡£¡Ë
MHް42b6j¤Î²óÏ©¿Þ¤òõ¤¹¤¬G4WPW¤Î´Ê°×ÈǤ·¤«¤Ê¤«¤Ã¤¿¡£
10¥¡¼ÉÕ¤ÎMHް48¤Ï²óÏ©¿Þ¤¬½Ð¤Æ¤¤¿¤Î¤Ç¡¢Ê¬²ò¤·Ãæ¤Î´ðÈĤòÈæ¤Ù¤Æ¤ß¤¿¡£
²óÏ©¤Ï³µ¤ÍƱ¤¸¤À¤¬MIC¿®¹æ¤¬Ä̤륳¥ó¥Ç¥ó¥µ¤¬¾®¤µ¤¤¥Á¥Ã¥×¥»¥é¥ß¥Ã¥¯¤À¤Ã¤¿¡£
¥Á¥Ã¥×¥»¥é¥ß¥Ã¥¯¤ÏDCÅ۵¤¬³Ý¤«¤ë¤ÈÍÆÎ̤¬Â礤¯¸º¾¯¤¹¤ë¤Î¤ÇÎɤ¯¤Ê¤¤¡£
MICÅŸ»¤ÎÊ¿³ê¥³¥ó¥Ç¥ó¥µ¤âÉÔ¤·¤Æ¤¤¤¿¡£
£´¥¡¼¤Î²óÏ©¤ÏÀµ¤·¤¤¤è¤¦¤Ç¡¢¥·¥ç¡¼¥È¤¹¤ë¥´¥à¦¤ò¥Æ¥¹¥¿¡¼¤Ç¤ß¤ë¤ÈÄñ¹³¤¬¤Ê¤¤¡£
¤¿¤À¤Î¥´¥à¤Ç¤·¤¿¡ª
MIC¿®¹æ¤Ë¤Ï¥Á¥Ã¥×¥¿¥ó¥¿¥ë¤¬Í¤Ã¤¿¤Î¤ÇÊѹ¹¤·¡¢MICÅŸ»¤ÎÊ¿³ê¥³¥ó¥Ç¥ó¥µ¤âÁý¤ä¤·¤¿¡£
£´¥¡¼¤Î¥´¥à¦¤Ë¾®¤µ¤Ê¥¢¥ë¥ßÇó¤òξÌ̥ơ¼¥×¤ÇޤêÉÕ¤±¤Þ¤·¤¿¡£
MH-42B²óÏ©¿Þ
´ðÈļ̿¿¡¢´ðÈIJþ¤¼Ì¿¿¡¢MH-42B_¥¡¼²þ¤
¥â¥Ë¥¿¡¼¤Ç²»¤¬²þÁ±¤µ¤ìÎɤ¯¤Ê¤Ã¤¿»ö¤ò³Îǧ¤Ç¤¤¿¡£
Á°ÌÌ¥¡¼¤ò³Îǧ¤¹¤ë¤È¡¢P¤ÈP1¤¬Æ±¤¸Æ°ºî¤ò¤·¤Æ¤¤¤¿¡©
´ðÈĤò¤è¤¯¸«¤¿¤é39K¤Î½ê¤Ë392(3.9K)¤¬ÉÕ¤¤¤Æ¤ë¡¢Äê¿ô¥ß¥¹¤Ç¤·¤¿¡ª
39K¤¬Ìµ¤¤¤Î¤Ç33K¤ËÊѹ¹¤·¤¿¡¢¤³¤ì¤Ç̵»ö¤ËP,P1,P2¥¡¼¤âµ¡Ç½¤·¤¿¡£
FTdx1200 ¤ÎVerUp¡¡2024/11/24
¤È¤¢¤ëFTdx1200¤ÎVerUp¤ò¹Ô¤Ã¤¿¤éÆñµ·¤·¤¿¡£
Yaesu¤Î¥Ú¡¼¥¸¤«¤é3¤Ä¤ÎVerUp¥Õ¥¡¥¤¥ë¤äPDF¤ò¥À¥¦¥ó¥í¡¼¥É¡£
CATü»Ò¤ËUSB¥·¥ê¥¢¥ë¤òÀܳ¤·¤è¤¦¤È¤·¤¿¤é¡¢¶ËÀ¤¬¹ç¤ï¤Ê¤¤¡£
D-Sub¥á¥¹¡¾¥á¥¹¤Î¥±¡¼¥Ö¥ë¤¬É¬ÍפÀ¤Ã¤¿¡£
ÀΡ¢FT450ÍѤ˺î¤Ã¤¿¤Î¤ò»×¤¤½Ð¤·¡¢Ãµ¤·¤¿¡£¥¹¥È¥ì¡¼¥ÈÀܳ¤Ç¤·¤¿¡£
Windows10¤ÇUSB¥·¥ê¥¢¥ë¤¬Æ°ºî¤»¤º¡£¤Ê¤é¤Ð¤ÈWindows7¤Ç¹Ô¤¦¡£
¾å²¼SW²¡¤·¤Ê¤¬¤éÅŸ»ÅêÆþ¤È¤«¤ä¤ä¤³¤·¤¤¡£
¥Õ¥¡¡¼¥à¤ÎYFSW020¤Ï̵»ö¤Ë¿Ê¤ó¤Ç´°Î»¡£
¼¡¤ÏDSP¤ÎFW-DSP¤ò¹Ô¤ª¤¦¤È¤·¤¿¤é¡¢¤³¤ì¤¬Com10¤Þ¤Ç¤ÎÀ©¸Â¤¬¤¢¤Ã¤¿¡ª
Com¤ÎÆþ¤ìÂØ¤¨¤¬ÌÌÅݤÀ¤Ã¤¿¤Î¤Ç¡¢Windows10¤ÇUSB¥·¥ê¥¢¥ë¤òư¤«¤¹ÊýË¡¤òõ¤·¤¿¡£
¸Å¤¤¥É¥é¥¤¥Ð¤Ê¤éư¤¯¤È¤Ï¡£update¤ÇÄÌ¿®¤Ç¤¤Ê¤¤É½¼¨¤¬¤Ç¤¿¡£
FTdx1200¤òoff¤·¡¢ºÆÅÙ¡¢¥¡¼Æ±»þ²¡¤·¤Ç£Ï£Î¤¹¤ë¡£
º£ÅÙ¤ÏÆ°¤½Ð¤·FW-DSP¤â´°Î»¡¢£Ï£Î¤«¤éÂÔ¤Á»þ´Ö¤ÎÀ©¸Â¤¬¤¢¤Ã¤¿¤Î¤À¡£
¼¡¤ÏTFT¥Õ¥¡¡¼¥à¡¢¤³¤ì¤Ï½çÄ´¤Ë¿Ê¤ó¤À¤¬°ìÈÖ»þ´Ö¤¬³Ý¤«¤Ã¤¿¡£
ºÇ¸å¤Ë¥ê¥»¥Ã¥È¡¢ÅŸ»Æþ¤ì¤¿¤Þ¤ÞÅŸ»¥³¥Í¥¯¥¿È´¤¤¤¿¤ê»É¤·¤¿¤ê¡£
¤Ò¤ä¤Ò¤ä¤·¤¿¤¬Ìµ»ö¤Ë¤Ç¤¤Þ¤·¤¿¡£
¥é¥¸¥ª RF-P150 ¤Î½¤Íý¡¡2024/3/24-5/12
³°¤Ç¥×¥íÌîµå¤òʹ¤¯¤Î¤Ë»È¤Ã¤Æ¤¤¤¿¡¢Panasonic RF-P150¤¬¸Î¾ã¤·¤¿¡£
¤Þ¤Ã¤¿¤¯ÅŸ»¤¬Æþ¤é¤Ê¤¯¤Ê¤Ã¤¿¡£
¥±¡¼¥¹¤Ï¥Ó¥¹£³¤«½ê¤ÇÄÞ¤ò³°¤·Ê¬²ò¡¢´ðÈĤϥӥ¹£±¤Ä¤Ç³°¤»¤¿¡£
Ãæ¤ò¤ß¤ë¤ÈIC 1¤Ä¤ÇÁ´Éô¤ä¤Ã¤Æ¤ÆÅŸ»SW¤Ï¥Ü¥ê¥å¡¼¥à·óÍÑ¡£
¥Æ¥¹¥¿¤Ç¤ß¤ë¤È¥È¥é¥ó¥¸¥¹¥¿·¿¥Ò¥å¡¼¥º¤Ï̵»ö¤À¤¬¡¢ON¤ÇÄñ¹³¤¢¤ê¡£
·ë¶É¡¢¥®¥¢¤â³°¤·¡¢¥Ü¥ê¥å¡¼¥à¤ÎȾÅÄÉÕ¤±¤ò¼è¤ê½ü¤¤¤Æ³°¤·¡£
¾®¤µ¤Ê¥Ð¥Í¤ò¤¤¤Ã¤¿¤ó³°¤·ÀÜÅÀ¶â¶ñ¤ò³°¤·¤ÆËᤤ¤¿¤é¡¢Éü³è¤·½¤Íý¤Ç¤¤Þ¤·¤¿¡£
DSO154pro¤Ï»È¤¨¤½¤¦¡¡2023/8/31-9/10
¥È¥éµ»¤ËºÜ¤Ã¤¿DSO154pro¤¬4662±ß¡ª¤Ë¤Ê¤Ã¤Æ¤¤¤¿¤Î¤Ç¥Ý¥Á¥Ã¤È¡£
¼þÇÈ¿ôÂÓ°è18MHz¡¢¥µ¥ó¥×¥ê¥ó¥°40Msps¡£
ËÜÂÎ¤Ï¥×¥í¡¼¥Ö¤¬Â礤¯´¶¤¸¤ë¤Û¤É¾®¤µ¤¤¡£
ADALM2000¤ÎSG¤Ç¥µ¥¤¥óÇȤò½Ð¤·¼þÇÈ¿ôÆÃÀ¤ò¬¤Ã¤Æ¤ß¤¿¡£
¤Á¤ã¤ó¤È18MHz¤Þ¤Çɽ¼¨¤·¤Æ¡¢¥Ó¥Ã¥¯¥ê¤¹¤ë¤Û¤ÉÎɤ¤ÆÃÀ¤Ç¤·¤¿¡£
¡Ê20MHz¤ÏÊÑÆ°¤·¤¿É½¼¨¤ÇNG¤À¤Ã¤¿¡£¡Ë
¥Þ¥¤¥³¥ó¤ÎI2C,SPI¤ò¬¤ë¤È¤Á¤ã¤ó¤ÈÇÈ·Á¤¬É½¼¨¤Ç¤¤¿¡£DSO¼Ì¿¿
¤³¤ì¤Ê¤éÅŻҹ©ºî¤Ë¼ÂÍѤˤʤ롣¤ä¤Ï¤ê¥ª¥·¥í¤Î¼þÇÈ¿ôÂÓ°è¤Ï½ÅÍפǤ¹¡£
PS.¤µ¤¹¤¬¤Ë®¤¤¥Ï¡¼¥É¥¦¥§¥¢SPI¤ÏÉÔÀµ³Î¤ÊÇÈ·Á¤È¤Ê¤ëÍͤǤ¹¡£HW-SPIÇÈ·Á
¤Á¤Ê¤ß¤ËSDS200(100Msps)¤Ç¤ÎÇÈ·Á
USB-C¤Ï½¼ÅŤÀ¤±¤Î¤è¤¦¤Ç¡¢¥Ñ¥½¥³¥ó¤Î¥Ç¥Ð¥¤¥¹¤ËÈ¿±þ¤Ê¤·¡£
²èÌ̤Υ¥ã¥×¥Á¥ã¤È¤«¤Ï¤Ç¤¤Ê¤¤¤è¤¦¤Ç¤¹¡£
¥À¥¤¥½¡¼¤Î¥¯¥ê¥¢¥±¡¼¥¹¥ï¥¤¥É3264¤Ë¡¢ËÜÂΤÈ10:1¥×¥í¡¼¥Ö¡¢1:1¥×¥í¡¼¥Ö¤ò¼ýǼ¤Ç¤¤¿¡£
10:1¥×¥í¡¼¥Ö¤ÏÂ礤¤¤Î¤ÇÀèü¤ò³°¤·¤Æ¤Ð¤é¤·¤Æ¤¤¤Þ¤¹¡£¥±¡¼¥¹¼Ì¿¿
TVÍÑHPF¤ÎÆÃÀ¡¡2023/7/9
TVIÂкö¤Ç3¼ï¤ÎHPF¤òÆþ¼ê¤·Â¬¤Ã¤Æ¤ß¤¿¡£HPF¼Ì¿¿
¥¢¥É¥Ð¥ê¥å¡¼HPF70-2610-1_1.GIF¡£¡¡ARCHER CAT_NO_15-579.gif¡£¡¡¥·¥ó¥ï HPF3A.gif
Ãí¡¢75¦¸¤Îʪ¤ò50¦¸¤Ç¬¤Ã¤Æ¤¤¤ë¤Î¤ÇS11¤Ï°²½¤·¤Æ¤¤¤ë¤È»×¤¦¡£
HPF70-2610-1¤¬Îɤ¤¡£15-579¤ÏHFÂӤθº¿êÎ̤¬Äã¤á¡£
¡¡HPF3A¤Ï¥é¥°Ã¼»Ò¤Î¤¿¤á¤«¡¢Á´ÂÎŪ¤Ë¤¤¤Þ¤¤¤Á¤Ç¹â¤¤¼þÇÈ¿ô¤âNG¡£
¥Æ¥¹¥¿¡¼ Metex P-10,P-16¤Î½¤Íý¡¡2023/5/25-6/1
Ĺǯ»È¤Ã¤¿¡¢Metex P-10,P-16 ¤ÏÂ礤µ¤ä¥¹¥Ú¥Ã¥¯¤ÇƱÅùÉʤ¬¤Ê¤¤¤Î¤Ç½¤Íý¤·¤¿¡£
¡¦¥¹¥¤¥Ã¥Á¤¬ÉÔ°ÂÄê¤Ë¤Ê¤Ã¤¿¡¢ãþÂΤΥͥ¸¼õ¤±¤¬³ä¤ì¤ÆÊĤޤ꤬°¤¯É⤤¤Æ¤¤¤¿¡£
¡¡2.0x16mm¤ÎÌڥͥ¸¤ËÊѹ¹¡¢¾å¥±¡¼¥¹¤Ë1.5mm¤Î²¼·ê¤ò³«¤±¤Æ¸ÇÄꤷ¤¿¡£
¡¦LR44¤ÎÂå¤ï¤ê¤Ëñ4-ľÎó2ËܤÎÅÅÃÓ¥±¡¼¥¹¤òÁýÀߤ·¤¿¡£
¡¦P-10¤ÏÃͤ¬¾¯¤·Äã¤á¤À¤Ã¤¿¤Î¤Ç¡¢ADALM2000¤ò»È¤¤¹ç¤ï¤»¤³¤ó¤À¡£
¡¡FS9721_LP3»ñÎÁ¤Î²óÏ©¿Þ¤È¤ÏµÕ¤Ç¡¢VR1¤¬DCÅ۵¡¢VR2¤¬ACÅ۵¤ÎÄ´À°¤À¤Ã¤¿¡£
¡¡ACÅ۵¤ÏÄ㤤Êý¤Ç¹ç¤ï¤»¤ë¤È100V¤È¤«¤Ï¤ä¤äÂ礤¯¤Ç¤¿¡£
¡¡P-16¤ÎÊý¤¬¥ê¥Ë¥¢¤ÇÀµ³Î¤Ç¤·¤¿¡£
¡¦¥Æ¥¹¥¿¡¼ËÀ¤Îº¬¸µ¤ÇÅÙ¡¹Àþ¤¬ÀÚ¤ì¤ÆÈ¾ÅÄÉÕ¤±¤·¤Æ¤¿¡£
¡¡¥Æ¥¹¥¿¡¼ËÀ ¥Ô¥ó¥×¥é¥°¼°¤òÃíʸ¤·¡¢¸ò´¹¡£P10½¤Íý¼Ì¿¿
LEDÅ۵·×¤Î¸Î¾ã¡¡2023/1/22
°ÊÁ°¤«¤é¥Ð¥Ã¥Æ¥ê¡¼¤ÎÅ۵³Îǧ¤Ç¾®·¿¤Î3Àþ¼°LEDÅ۵·×¤ò»È¤Ã¤Æ¤¤¤¿¡£
¼èÉÕ¤ò¥·¥Ã¥«¥ê¤·¤è¤¦¤È¤·¤¿¤é¡¢É½¼¨¤µ¤ì¤Ê¤¯¤Ê¤ê¸Î¾ã¤·¤¿¡£(>_<)
¸¶°ø¤Ï¼èÉÕ·ê¤Î¤¹¤°²£¤Ë¥Ñ¥¿¡¼¥ó¤¬¤¢¤ê¡¢2mm¥Ê¥Ã¥È¤Ç¥·¥ç¡¼¥È¤·¤¿»ö¤Ç¤·¤¿¡£
VCC¤È¥ì¥®¥å¥ì¡¼¥¿¤Î½ÐÎϤò¥·¥ç¡¼¥È¤·¡¢¥Þ¥¤¥³¥ó¤Ë12V¤¬³Ý¤«¤Ã¤Æ¤·¤Þ¤Ã¤¿¡£

TinySA¤ò¹ØÆþ¤·¤¿¡¡2022/10/16
Gigast¤äMsi-SDR¤¬Í¤ë¤Î¤Ç̤俤¬¡¢TinySA¤¬Amazon¤ÇÃͰú¤¤µ¤ì¤Æ¤¿¤Î¤ÇÇã¤Ã¤¿¡£
¥¯¥í¡¼¥ó¤ÎÁưÉʤ«¤È¿´ÇÛ¤·¤¿¤¬¡¢È¢¤äÌÃÈĤÏÀµ¤·¤¯¡¢SelfTest¤âOK¡£
¶õ¤±¤Æ¸«¤ë¤È¥·¡¼¥ë¥É¤âÉÕ¤¤¤Æ¤Æ´ðÈĤÎVer¤âÀµ¤·¤¤¡£Àµµ¬ÉʤÀ¤È»×¤¤¤Þ¤¹¡£
¤Ê¤ª¡¢ÅþÃå¤ÎÍâÆü¤Ë¤Ï¸µ¤Î²Á³Ê¤ËÌá¤Ã¤Æ¤¿¡£¥»¡¼¥ë¤À¤Ã¤¿¡©
SONY ICF-7600D¤Î½¤Íý¡¡2022/9/19-25
Ĺǯ¡¢»È¤Ã¤Æ¤¤¤ë¥é¥¸¥ªICF-7600D¤À¤¬¡¢¾¡¼ê¤ËOFF¤¹¤ë¾É¾õ¤¬½Ð¤Æ¤¤¿¡£
ICF7600D¤ÎÁǿͽ¤Íý¤äICF-7600D¤Î½¤Éü¤ò»²¹Í¤Ë¥µ¡¼¥Ó¥¹¥Þ¥Ë¥å¥¢¥ë¤â¸¡º÷¤·Ä´¤Ù¤¿¡£
IC202-60pin¤ò¥ª¥·¥í¤Ç¸«¤¿¤¬¡¢¾åµ¤ÎIC¥ê¡¼¥¯¤Ç¤Ï¤Ê¤«¤Ã¤¿¡£
¥Þ¥¤¥³¥ó´ðÈĤÎÅŲò¥³¥ó¥Ç¥ó¥µ¤ò³°¤·¤ÆÂ¬¤Ã¤Æ¸«¤ë¤È7³ä¡Á8³ä¤Ï¤¢¤êOK¡£
35ǯ°Ê¾å·Ð¤Ã¤Æ¤¤¤ë¤Î¤ËÍ¥½¨¡¢Îɤ¤ÉôÉʤÀ¡£
ÅÅÃÓ¤ò³°¤·¤Æ¿ôÆü¡¢ÊüÃÖ¤·¤¿¤é¾É¾õ¤¬ºÆ¸½¤·¤Ê¤¯¤Ê¤Ã¤¿¡©¡©
¤·¤Ð¤é¤¯Ê¹¤¤¤Æ¤¤¤¿¤éÀڤ줿¡¢ºÆ¸½(ް_-)
¤Ç¤Ï¥¿¥¤¥Þ¡¼´ðÈĤ«¡©Â¬¤Ã¤Æ¤ß¤¿¤¬Âç¾æÉפ½¤¦¡£
¿§¡¹¤ä¤Ã¤Æ¤¤¤ë¤¦¤Á¤Ë¾É¾õ¤¬°²½¤·¤Æ¤·¤Þ¤Ã¤¿¡¦¡¦¡¦
¥Þ¥¤¥³¥ó´ðÈĤÎXTAL¤ò¥ª¥·¥í¤Ç¸«¤¿¤éȯ¿¶¤·¤Æ¤¤¤Ê¤«¤Ã¤¿¡£
¤³¤ÎXTAL¤Ï¾®·¿±ßÅû·Á¤Î150KHz¡¢ÆÃ¼ìÉʤǸ«¤Ä¤«¤é¤Ê¤¤¡£¤ª¼ê¾å¤²¡©
ADALM2000¤ò¹ØÆþ¡¡2020/9/22-10/5
º£º¢¡¢ADALM2000¤Ëµ¤¤¬¤Ä¤¤¤¿¡£Analog Discovery¤äOpen Scope MZ¤ËÈæ¤Ù¥³¥¹¥Ñ¤¬Îɤ¤¡£
½©·î¤Ï¼¡¥í¥Ã¥È¤«¤éÃ;夲¡¢Â¾¤Ï¤¹¤Ç¤Ë2Ëü±ßÂæ¤À¤Ã¤¿¡£
100Msps,25MHzÂÓ°è¤Ê¤é»È¤¨¤½¤¦¡¢i2c¤äSPI¤â¸«¤ì¤ë¤È»×¤¦¡£
¤Ê¤ª¡¢SDR¤È¤·¤ÆGNUradio¤Ç»È¤Ã¤¿Îã¤â¤¢¤Ã¤¿¤¬¡¢ÂӰ褬Ä㤤¤è¤¦¤À¡£
¥É¥é¥¤¥Ð¤ä¥é¥¤¥Ö¥é¥ê¡¢Scopy¤È½àÈ÷¤¬Â¿¤¤¡£¾¯¤·»î¤·¤Æ¤ß¤¿¡£
¥ª¥·¥í¥¹¥³¡¼¥×¤Ï100Msps¤Ê¤Î¤Ç100nS¤Þ¤Ç¡¢ÂÓ°è25MHz¤Ï¤¢¤ë´¶¤¸¤Ç¤·¤¿¡£
¥¹¥Ú¥¯¥È¥é¥à¥¢¥Ê¥é¥¤¥¶¤Ï¥ì¥Ù¥ë¤Ï¤È¤â¤«¤¯50MHz¤Þ¤Çɽ¼¨¤·¤¿¡£
¿®¹æÈ¯À¸¤Ï30MHz°Ê²¼¡¢1,2,5,10,20,30MHz¤ÈºÙ¤«¤¤¼þÇÈ¿ô¤¬»ØÄê¤Ç¤¤Ê¤¤¡£
¥Õ¥¡¥¤¥ë»ØÄê¤Î¥µ¥ó¥×¥ê¥ó¥°¤Ï¾å¸Â37.5MHz¡£DA¤Ï75Msps¤È½ñ¤¤¤Æ¤¢¤Ã¤¿¡£
·×»»¼°¤ÇÊÑÄ´ÇȤò½Ð¤»¤ëµ¡Ç½¤âÌÌÇò¤¤¡£
¥Í¥Ã¥È¥¢¥Ê¤Ï24MHz¤Þ¤Çɽ¼¨¤¹¤ë¤¬¡¢»È¤¤Êý¤¬¤¤¤Þ¤¤¤Áʬ¤«¤é¤Ê¤¤¡£
2012/2.¥ª¥·¥í¬Äê¤ÏÂçÂΤÏ1:1¤ÎľÉÕ¤±¤Ç¤ê¤ë¤Î¤À¤¬¡¢¥×¥í¡¼¥Ö¥¢¥À¥×¥¿¤âºî¤Ã¤¿¡£
¡¡10:1¥×¥í¡¼¥Ö¤ò»È¤¦¤ÈÇÈ·Á¤Î·Á¤Ï¾¯¤·Îɤ¯¤Ê¤Ã¤¿¡¢¤¿¤ÀÀµ³Î¤Ë1/10¤Ë¤Ê¤é¤º¾¯¤·Â礤¤¡£
Ä´¤Ù¤ë¤ÈÆþÎϤμÂÎÏÃͤÏ1.04M¦¸,27pF¤é¤·¤¤¡£
SG¤Ï2ch¤È¤â°ÌÁ꤬ĴÀ°¤Ç¤¤ÆÊØÍø¤À¡¢90ÅÙ°ÌÁê¤Î¥µ¥¤¥óÇȤò´Êñ¤Ë¤À¤»¤¿¡£
¡¡¤Þ¤¿¡¢±ß¥°¥é¥Õ¤ÎÃæ¿´¤ò²¡¤¹¤ÈÃͤòºÙ¤«¤¯ÊѤ¨¤ë¤³¤È¤Ëº£¤µ¤éµ¤¤Å¤¤¤¿¡£
Scopy¤òV1.1.2¢ªV1.3¤ËVerUP¤·¤¿¤é¥Ç¥£¥¹¥¯¥¹¥Ú¡¼¥¹¤¬500M/524M¢ª299M¤È¾®¤µ¤¯¤Ê¤Ã¤¿¡£
¡¡ÄÁ¤·¤¤¡ªWibdows¥¤¥ó¥¹¥È¡¼¥é¡¼¤Î²þÁ±¤È¤Î»ö¡£
2024/2.¥Í¥Ã¥È¥¢¥Ê¤¬NG¡¢¥Õ¥¡¡¼¥à¤¬0.26¤È¸Å¤¯0.32¤Ëverup¤·¤¿¤é½Ð¤¿¡£
¡¡¤Þ¤¿Scopy1.41¤ÏWin10-32bit¤Ë¤Ï¥¤¥ó¥¹¥È¡¼¥ë¤Ç¤¤Ê¤«¤Ã¤¿¡£
¡¡É½¼¨¤¬ÊѤÀ¤Ã¤¿¤¬¡¢1¡Þ¤òÆþÎÏ£²¡Þ¤ò½ÐÎϤËÀܳ¤¹¤ë¤Î¤¬Àµ¤·¤«¤Ã¤¿¡£
ɽÌ̼ÂÁõIC¤Î¼è¤ê³°¤·Êý¡¡2020/2/26
ɽÌ̼ÂÁõIC¤Î¼è¤ê³°¤·¤Ë¥ß¥Ë¥Ò¡¼¥È¥¬¥ó300W¤¬»È¤¨¤ë¤È¤¤¤¦µ»ö¤ò¸«¤¿¡£
¥Õ¥ê¥Þ¤ÇÆþ¼ê¤·¡¢¥À¥¤¥½¡¼¤ÇÎÁÍýÍѤιʤê¸ý¶â¤âÍѰդ·¤¿¡£
¥ß¥Ë¥Ò¡¼¥È¥¬¥ó¤ÎÀèü¤Ë°ìÈÖ¶¹¤¤¹Ê¤ê¸ý¶â¤òÉÕ¤±¤ÆON¤¹¤ë¤È¡¢¤¹¤°¤Ë»ß¤Þ¤Ã¤¿¡£
²¹Å٥ҥ塼¥º¤¬¸ú¤¤¤Æ¤·¤Þ¤Ã¤¿¡£Îä¤ä¤·¤ÆºÆ³«¡£
¹¤á¤Î¹Ê¤ê¸ý¶â¤òÉÕ¤±¤ÆON¤¹¤ë¤È»ß¤Þ¤é¤º¡¢¥Á¥Ã¥×Äñ¹³¤Ï¤¤ì¤¤¤Ë³°¤»¤¿¡£
»È¤¨¤ë¡£¤¿¤ÀOFF¤¹¤ë¤È¤¹¤°¤ËON¤Ï¤Ç¤¤Ê¤¤¡£²¹Å٥ҥ塼¥º¤¬¸ú¤¤¤Æ¤ë¡£
¥¢¥Ê¥í¥°¥Ç¥Ð¥¤¥¹¤Îµ»ö¤ËƼÀþ¤òź¤ï¤»¤ÆÈ¾ÅÄ¥³¥Æ¤Ç³°¤¹ÊýË¡¤¬Í¤Ã¤¿¡£
»î¤·¤¿½ê¡¢SOP¤Ç¤âȾÅÄ¥³¥Æ£²Ëܤò»È¤Ã¤¿Êý¤¬³°¤·¤ä¤¹¤«¤Ã¤¿¡£
Ä㲹ȾÅĤϻȤï¤Ê¤¯¤Æ¤â³°¤ì¤¿¤¬¡¢Ê»ÍѤ¹¤ì¤Ð¤µ¤é¤Ë¤ä¤ê°×¤½¤¦¤À¡£
IC¤Ï¤³¤ÎÊý¤¬IC¤ä´ðÈĤÎÇ®Éé²Ù¤¬¾¯¤Ê¤¤¤«¤â¤·¤ì¤Ê¤¤¡£
Äã²Á³Ê¥ª¥·¥í¥¹¥³¡¼¥×¡¡2018/11/15¡¢2019/1¡¢2020/5
°ÊÁ°¡¢DSOquad¤È¤¤¤¦¾®·¿¥ª¥·¥í¥¹¥³¡¼¥×¤ò»È¤Ã¤Æ¤ß¤¿¤¬¡¢ÁàºîÀ¤¬°¤¯¼êÊü¤·¤Æ¤·¤Þ¤Ã¤¿¡£
¥Þ¥¤¥³¥ó¤ÎSPI,I2C¸«¤ë¤Ë¤Ï1Msa/s¤Ç¤ÏÃÙ¤¹¤®¡¢2ch¤âͤä¿Êý¤¬Îɤ¤¤·¡£
¥ª¥·¥í¥á¡¼¥«¡¼¤«¤é¤â¤³¤Î²Á³ÊÂӤΤ¬½Ð¤Æ¤¤¿¡£°Ê²¼¡¢Aliexpress¤Ë¤Æ
| ·¿Ì¾ | ÆþÎÏ | ÂÓ°è | ¥µ¥ó¥×¥ê¥ó¥° | ²èÌÌ | ²Á³Ê | ¤½¤Î¾ |
|---|---|---|---|---|---|---|
| DSO138mini | 1ch | 200KHz | 1Msa/s | 2.4inch | $13 | ¶Ã°Û¤Î²Á³Ê |
| DSO112A | 1ch | 2MHz | 5Msa/s | 2.4inch | $40 | ¥¿¥Ã¥ÁÁàºî |
| DSO188 | 1ch | 1MHz | 5Msa/s | 1.8inch | $28.4 | ;®·¿ |
| DSO FNIRSI Pro | 1ch | 5MHz | 20Msa/s | 2.4inch | $37 | 107x70x24mm |
| DSO FNIRSI 2031H | 1ch | 30MHz | 200Msa/s | 2.4inch | $47 | 107x70x24mm |
| DSO 1C15 | 1ch | 110MHz | 500Msa/s | 2.4inch | $70 | 115x75x33mm |
| hantec 2C42 | 2ch | 40MHz | 250M/125Msa/s | 2.8inch | $100 | 199x98x40mm¡¢DMMÉÕ |
| hantec 2D72 | 2ch | 70MHz | 250M/125Msa/s | 2.8inch | $170 | 199x98x40¡¢DMM¤ÈSGÉÕ |
| Jinhan JDS2022A | 2ch | 40MHz | 200Msa/s | 3.2inch | $108 | 202x100x35mm¡¢JDS6052 |
| FNIRSI 1031D | 2ch | 100MHz*2 | 1Gsa/s | 7inch | \14K | 200x134x60 ¥¿¥Ö¥ì¥Ã¥È |
¥Ç¥¹¥¯¥È¥Ã¥×¥¿¥¤¥×¤Ç¤â$200¤òÀÚ¤ëʪ¤¬½Ð¤Æ¤¤¿¡¢Íߤ·¤¯¤Ê¤ë¡¦¡¦¤¬¡¢SDS200¤Ç½ÐÍè¤Æ¤¤¤ë¤·¤Ê¡Á
°ìǯ·Ð¤Ã¤¿¤¬¡¢2C42¤Ê¤É²Á³Ê¤Ï¤«¤ï¤é¤º¡¢FNIRSI¤Ï²¼¤¬¤êÄã²Á³Ê¥â¥Ç¥ë¤â½Ð¤¿¡£
DSO FNIRSI¤Î¥ì¥Ó¥å¡¼¤ò¸«¤ë¤È¡¢x10ÌäÂê¤äÂÓ°è30MHz¤Î¼ÂÎÏÉÔ¤¬²ò¤Ã¤¿¡£
¡Ê¤è¤¯¸«¤ë¤È°ÊÁ°¤ÈÊѤï¤Ã¤Æ¤ë¡¢ÌäÂê¤Ï½¤Àµ¤µ¤ì¤¿¤«¡©¡©¡Ë
2020/5.¥¿¥Ö¥ì¥Ã¥È·¿¤Î100MHz,2ch¤¬½Ð¤¿¡£2C42¤è¤êÎɤ¤¤«¤â¡£
¥Ð¥ê¥ª Z-ing AVD-Sport-Pro ¤Î½¤Íý 2019/10/8
Ĺǯ»È¤Ã¤Æ¤ëAVD-Sport-Pro¤Îɽ¼¨¤¬¤ª¤«¤·¤¯¤Ê¤Ã¤Æ¡¢¤Ä¤¤¤ËÆÍÁ³¡¢ºÆµ¯Æ°¤¹¤ë¤è¤¦¤Ë¤Ê¤Ã¤¿¡£
¥Ð¥Ã¥¯¥¢¥Ã¥×ÅÅÃӤξÃÌפ«¡¢ÅŲò¥³¥ó¥Ç¥ó¥µ¤ÎÍÆÎÌÈ´¤±¤«¡¢¤ÈÄ´¤Ù¤Æ¤¤¤¿¤¬°ã¤Ã¤¿¡£
¤è¤¯¸«¤¿¤é¿å¾½¿¶Æ°»ÒX2¤ÎÊÒ¤¬º¬Ëܤ«¤éÀÞ¤ì¤Æ¤¤¤¿¡£Ä¹Ç¯¤Î¶â°ÈèÏ«¤À¤í¤¦¡£
95CPU´ðÈĤϥԥ󥽥±¥Ã¥È¤Ç»É¤µ¤Ã¤Æ¤¤¤ë¤À¤±¤Ç¡¢°ú¤ÃÄ¥¤ì¤ÐÈ´¤±¤ë¡£
3.072MHz¤Ï¼ê¸µ¤Ë̵¤¤¤Î¤Ç¡¢3.58MHz¤ÎXtal¤Ë¸ò´¹¤·¤Æ¤ß¤¿¡£
¥Ó¡¼¥×²»¤¬¤ä¤ä¹â¤¯¤Ê¤Ã¤¿¤¬¥Ð¥ê¥ª¤È¤·¤Æ¤Îưºî¤Ï¤·¤Æ¤¤¤ë¤è¤¦¤À¡£
¤À¤¬¡¢¥Ñ¥½¥³¥ó¤È¤ÎÄÌ¿®¤¬½ÐÍè¤Ê¤¤¡£¥Ü¡¼¥ì¡¼¥È¤¬¾å¤¬¤ê¤º¤ì¤Æ¤·¤Þ¤Ã¤¿°Ù¤À¤í¤¦¡£
3.072MHz¤ÏÆþ¼êÆñ¡¢¤É¤ÎÅÅ»ÒÉôÉÊŹ¤Ë¤â¤Ê¤«¤Ê¤«Ìµ¤¤¡¢¥ä¥Õ¥ª¥¯¤Ç¸«¤Ä¤±¤¿¡£
ξÌ̥ơ¼¥×¤ÎºÂÉÛÃĤǸÇÄꤷ¤Æ¡¢½¤Íý´°Î»¡£

¥Ð¥ê¥ª Flytec 6005 ¤Î½¤Íý 2018/11/19
ͧ¿Í¤«¤é¥Ð¥ê¥ª¥á¡¼¥¿¡¼ Flytec 6005¤Î½¤Íý¤òÍê¤Þ¤ì¤¿¡£
¾É¾õ¤ÏÅŸ»¥¡¼¤¬µ¡Ç½¤·¤Ê¤¤¡£»È¤¦»þ¤À¤±ÅÅÃÓÆþ¤ì¤ì¤Ðư¤¯¤¬ÉÔÊØ¡£¤È¤¤¤¦»ö¡£
ʬ²ò¤Ï¥Ó¥¹£´ËÜ¡¢10pinZIF¥³¥Í¥¯¥¿¡¼¤Ë¥·¡¼¥È¥¡¼¤Î¥Õ¥ì¥¤¬·Ò¤¬¤Ã¤Æ¤ë¡£
¥·¡¼¥È¥¡¼¤òÇí¤¬¤½¤¦¤È¤·¤Æ¤ß¤¿¤¬²õ¤ì¤½¤¦¤À¤Ã¤¿¤Î¤ÇÊý¿ËÊѹ¹¡£
Ä´¤Ù¤ë¤È¥¡¼¤È¤Î´Ø·¸¤Ï°Ê²¼¤ÎÍͤÀ¤Ã¤¿¡£³Æ¥¡¼¤ò²¡¤¹¤È3V¤¬¥Þ¥¤¥³¥ó¤ËÆþ¤ë¡£
| 1 | 2 | 3 | 4 | 5 | 6 | 7 | 8 | 9 | 10 |
|---|---|---|---|---|---|---|---|---|---|
| ¶õ | 3V | ¾å±¦ | VCC¡© | ²¼±¦ | ²¼Ãæ | ²¼º¸ | ¾åÃæ | 3V | ¾åº¸ |
3V¤È5pin(ÅŸ»¥¡¼)¤Ë¥¿¥¯¥ÈSW¤ò·Ò¤°¤È¡¢É½¼¨¤¬ÊѤï¤êÅŸ»off¤â½ÐÍ褿¡¢¤À¤¬ÅŸ»on¤¬½ÐÍè¤Ê¤¤¡£
¹Í¤¨¤¿¤éÅŸ»off¤Ç3V-DCDC¥³¥ó¥Ð¡¼¥¿¤ÏÄä»ß¤¹¤ë¡¢ÅŸ»¥¡¼¤Ï4pin¤È¤é¤·¤¤¤¬ÀܳÀè¤ÏÄɤ¨¤º¡£
6005ÆâÉô¼Ì¿¿
4pin¤Ø¤Î¥Ï¥ó¥ÀÉÕ¤±¤ÏÆñ¤·¤¯¡¢ÅÅÃӡܤËÊݸîÄñ¹³¤ÇÂåÍÑ¡¢Â¦Ì̤«¤éÀþ¤ò¼è¤ê½Ð¤·¤Æ¡¢¥¿¥¯¥ÈSW¤òÉÕ¤±¤¿¡£
6005³°´Ñ¼Ì¿¿
£¹V¥¢¥ë¥«¥êÅÅÃÓ¤¬Çúȯ¡ª¡¡2017/7/26
Ç®¤¤¸á¸å¤Ë¸Å¤¤¥¤¥ó¥¿¡¼¥Õ¥©¥ó¤Î½¤Íý¤ò¤·¤Æ¤¤¤¿¤é¡¢ÆÍÁ³¡¢¥Ð¥³¡¼¥ó¡ª¤ÈÇúȯ²»¤¬¶Á¤¤¤¿¡£
²¿»ö¤«¤È¸«¤¿¤é£¹V¥¢¥ë¥«¥êÅÅÃÓ¤¬ÇËÎö¤·Ãæ¤Î¥»¥ë¤¬Èô¤Ó½Ð¤·¤Æ¤¤¤¿¡£
²Ð¤ä±ì¤Ï¤Ê¤«¤Ã¤¿¡£ÅÅÃÓ(6 LR61)¤ò¿¨¤Ã¤Æ¤âÇ®¤¯¤Ï¤Ê¤«¤Ã¤¿¡£
ÅÅÃӤϳ°¤·¤ÆÏƤËÃÖ¤¤¤Æ¤«¤é¤À¤Ã¤¿¤·¡¢Ã¼»Ò¤¬¥·¥ç¡¼¥È¤·¤¿¤È¤Ï»×¤¨¤Ê¤¤¡£
¹â²¹¡¢¹â¼¾¤ËÃí°Õ¤È¤Ï½ñ¤¤¤Æ¤¢¤ë¤¬¡¢µ¤²¹36¡î¤Î½ë¤µ¤ÇËÄÄ¥¤·¤¿¤Î¤À¤í¤¦¤«¡©

¤Ê¤ª¡¢¤³¤Î¾õÂ֤Ǥâ9V¤Ç¤Æ¤¤¤Æ»È¤¨¤ë¡£Ãæ¹ñÀ½¤ª¤½¤ë¤Ù¤·¡£
¸¡º÷¤¹¤ë¤ÈƱÍͤËÊݸ¤·¤Æ¤¤¤¿£¹V¥¢¥ë¥«¥êÅÅÃÓ(³¤³°À½)¤¬ÇËÎö¤·¤¿Îã¤Ï¤¢¤Ã¤¿¡£
¤½¤Î¸å¡¢»Ä¤ê¤Î¥»¥ë¤¬2018ǯ²Æ¡¢2019ǯ²Æ¤Ë°ì²ó¤º¤ÄÇËÎö¤·¤¿¡ª
¥Î¡¼¥È¥Ñ¥½¥³¥óÍѥХåƥ꡼¥Ñ¥Ã¥¯¤ÎήÍÑ¡¡2016/12/25
¥Î¡¼¥È¥Ñ¥½¥³¥óËÜÂΤϽèʬ¤·¤Æ»Ä¤Ã¤¿¡¢¥Ð¥Ã¥Æ¥ê¡¼¥Ñ¥Ã¥¯BN-LS11¤¬¤¢¤ë¡£
¥ä¥Õ¥ª¥¯¤Ë½Ð¤·¤Æ¤â¹â¤¯¤ÏÇä¤ì¤Ê¤¤¤Î¤Ç̵Àþµ¡¤ÎÅŸ»¤Ë»È¤¨¤Ê¤¤¤«»î¤·¤Æ¤ß¤¿¡£
³Ì³ä¤ê¤·¤Æ¸«¤ë¤È¡¢¥ê¥Á¥¦¥à¥¤¥ª¥óÅÅÃÓ18650¤Î£³Ä¾Îó¤ÇÊݸî´ðÈĤ¬Ã夤¤Æ¤¤¤ë¡£
¥Ñ¥½¥³¥ó¤Ø¤Îü»Ò¤Ï£¶Ëܤ¢¤ë¤¬¡¢¤¤¤Á¤Ð¤ó³°Â¦¤¬¥Þ¥¤¥Ê¥¹¤Ç¤¤¤Á¤Ð¤óÆâ¦¤¬¥×¥é¥¹¤À¤Ã¤¿¡£
Êݸî´ðÈĤÎIC¤ä²óÏ©¤òÄ´¤Ù¤Æ¤ß¤ë¤¬¡¢È½¤é¤Ê¤¤¡£Â¾¤Îü»Ò¤â¤¤¤Þ¤¤¤ÁÉÔÌÀ¤À¡£
¤È¤ê¤¢¤¨¤º¡¢¥×¥é¥¹¤È¥Þ¥¤¥Ê¥¹Ã¼»Ò¤ËÅ۵¤¬½Ð¤Æ¤¤¤¿¤Î¤Ç¡¢°ú¤½Ð¤·¤Æ·Ò¤¤¤À¤é»È¤¨¤¿¡£
°ÂÄ경ş»¤ÇÅÅή¡¢Å۵¤ò´Æ»ë¤·¤Ê¤¬¤é½¼ÅŤ·¤¿¤é½ÐÍ褿¡£³Æ¥»¥ë¤Î¥Ð¥é¤Ä¤¤â¶Ë¾®¤À¤Ã¤¿¡£
Êݸî´ðÈĤϸò´¹¤«¡©¤È¹Í¤¨¤Æ¤¤¤¿¤¬¡¢¤½¤Î¤Þ¤Þ¤Ç»È¤¨¤½¤¦¤À¡¢°Õ³°¡¦¡¦¡¦
¥¿¥ó¥¿¥ë¥³¥ó¥Ç¥ó¥µ¤«¤é±ì¡ª¡¡2016/11/23
ÀΤμ«ºîµ¡¤òµ×¡¹¤Ëư¤«¤·¤Æ³Îǧ¤·¤Æ¤¤¤ë¤È¡¢Á÷¿®¤·¤¿¤È¤¿¤ó±ì¤¬¤â¤¯¤â¤¯¡ª
²¿»ö¤«¤È¶õ¤±¤ÆÄ´¤Ù¤¿¤é¥¿¥ó¥¿¥ë¥³¥ó¥Ç¥ó¥µ¤¬³ä¤ì¤ÆµµÎö¤¬Æþ¤Ã¤Æ¤Þ¤·¤¿¡£
16VÂѰµ¤Ç13.8V»ÈÍѤϡ¢ÂÑÅ۵¤Î;͵¤¬¾¯¤Ê¤«¤Ã¤¿¤«¡¦¡¦¡¦
¸Î¾ã¤Ï¥·¥ç¡¼¥È¥â¡¼¥É¤È±¾¤¦¤Î¤ÏÃΤäƤ¿¤±¤É¡¢¤³¤ì¤Û¤É¤È¤Ï¤Í¡£

STANDARD C-401 ¤Î½¤Íý¡¡2016/5/17
Á°¤«¤é¼õ¿®²»¤¬¾®¤µ¤¯¤Ê¤Ã¤Æ¤¤¤¿¡¢C-401¤òľ¤·¤Þ¤·¤¿¡£
¸¶°ø¤Ï¤³¤Îµ¡¼ï¤Ç¤è¤¯¤¢¤ë¡¢¥Á¥Ã¥×¥±¥ß¥³¥ó¤ÎÍÆÎÌÈ´¤±¤Ç¤·¤¿¡£
Âå¤ï¤ê¤Ï100uF/10V¤ÎÂçÍÆÎÌ¥Á¥Ã¥×ÀÑÁØ¥»¥é¥³¥ó¤Ë¤·¤Þ¤·¤¿¡£
¥Á¥Ã¥×ÀÑÁØ¥»¥é¥³¥ó¤ÏDCÅ۵¤Ë¤è¤êÍÆÎ̤¬ÂçÉý¤Ë¸º¤ë¤Î¤ÇÂѰµ¤Ï¤Ê¤ë¤Ù¤¯¹â¤¤¤Û¤¦¤¬Îɤ¤¤Ç¤¹¡£
¤Þ¤¿¡¢¤³¤ÎÆÃÀ¤Ë¤è¤ê¥¹¥Ô¡¼¥«¡¼½ÐÎϤ˻Ȥ¦¤ÈÏĤ¬Áý¤¨¤ë¤Î¤À¤¬¡¢¤É¤¦¤À¤í¤¦¡¦¡¦
RF/IF´ðÈĤμè¤ê³°¤·¡¢¼è¤êÉÕ¤±¤ËÆñµ·¤·¤¿¤Î¤À¤¬¡¢¥Ü¥ê¥å¡¼¥à´ðÈĤÎ΢¤Î½Ð¤ÃÄ¥¤ê¤¬°ú¤Ã¤«¤«¤Ã¤Æ¤¤¤¿¡£
¤¢¤È¡¢3pin¥³¥Í¥¯¥¿¤ò³°¤¹¤Î¤â°Õ³°¤ÈÂçÊѤǤ·¤¿¡£
³°¤·¤¿¥Á¥Ã¥×¥±¥ß¥³¥ó¤ò¬¤ë¤È¿ôuF°Ê²¼¤Ç¡¢¥¹¥«¥¹¥«¤Ç¤·¤¿¡£
ÁȤßΩ¤Æ¤Æ¼õ¿®²»¤òʹ¤¤¤¿¤«¤®¤ê¤Ç¤Ï¡¢ÆÃ¤ËÌäÂꤢ¤ê¤Þ¤»¤ó¤Ç¤·¤¿¡£
Z-ing¡¡AVD100¤¬¸Î¾ã¤·¤¿¡¡2016/4/29
µ×¡¹¤Ë¸Å¤¤¥Ð¥ê¥ªAVD100¤ÎÅŸ»¤òÆþ¤ì¤Æ¤ß¤¿¤é¡¢¤É¤¦¤â¤ª¤«¤·¤¤¡£
ÅŸ»ON¤¹¤ë¤¿¤Ó¤Ë¥¤¥Ë¥·¥ã¥é¥¤¥º¤¹¤ë¤·¡¢»þ¹ï¤ä¥Ñ¥é¥á¡¼¥¿¡¼ÀßÄê¤â¤¦¤Þ¤¯¹Ô¤«¤Ê¤¤¡£
ÆâÉô¤Î¥á¥â¥ê¡¼ÅÅÃÓ(CR2032)¤¬¸º¤Ã¤Æ¤¤¤¿¤Î¤Ç¸ò´¹¤·¤¿¤¬¡¢²þÁ±¤·¤Ê¤«¤Ã¤¿¡£
°µÅÅ¥µ¥¦¥ó¥À¡¼¤«¤éʹ¤³¤¨¤ë¥¸¡¼¤È¤¤¤¦²»¤¬Â礤¤µ¤¤â¤·¤¿¤Î¤Ç¡¢ÆâÉô¤ÎÅ۵¤ò¥ª¥·¥í¤Ç¸«¤¿¡£
DD¥³¥ó¤Ç£´¤Ä¤ÎÅ۵¤òºî¤Ã¤Æ¤¤¤ë¤è¤¦¤Ç¡¢¤½¤ÎÆâ¤Î£µ£Ö¤Î¥ê¥Ã¥×¥ë¤¬0.2V°Ì¤ÈÂ礤¯¸«¤¨¤¿¡£
ÅŲò¥³¥ó¤ÎÍÆÎÌÈ´¤±¤«¡©¤È100uF¤ò³°¤·¤ÆÂ¬¤ë¤È¡¢80uF¤È¤½¤ó¤Ê¤Ë¸º¤Ã¤Æ¤Ê¤¤¡£
¸ò´¹¤·¤ÆÅŸ»ON¤¹¤ë¤È¾É¾õ¤¬°²½¡¢ÅŸ»ON¤·¤Æ¤âVerɽ¼¨¤Ç»ß¤Þ¤Ã¤¿¤ê¤¹¤ë¡£
¤¢¤ì¤³¤ì¤ä¤Ã¤Æ¤¤¤ëÆâ¤Ë¡¢É½¼¨¤â½Ð¤Ê¤¯¤Ê¤Ã¤¿¡£´°Á´¤Ë²õ¤ì¤Æ¤·¤Þ¤Ã¤¿¤è¤¦¤À¡Êµã¡Ë
À½Â¤¤«¤é£²£³Ç¯¡¢¥Þ¥¤¥³¥ó¤ÎPROM¤¬¾Ã¤¨¤Æ¥×¥í¥°¥é¥à¤¬À¤äƤ·¤Þ¤Ã¤¿¤«¡©
Ĺ´üÊݸ¤ÇSD¥«¡¼¥É¤Î¥Ç¡¼¥¿¤¬¾Ã¤¨¤ë¤Î¤Ïʹ¤¤¤¿¤³¤È¤¢¤ë¤¬¡¢¤³¤Î¾É¾õ¤Ï½é¤á¤Æ¤À¡£
¥Þ¥¤¥¯¥í¥«¥»¥Ã¥È¥ì¥³¡¼¥À¡¼¤Î½¤Íý¡¡2015/10/8
º£ÅÙ¤ÏAIWA TP-M7¤Ç¤¹¡¢¥«¥»¥Ã¥È¤ÏÄ̾勵¥¤¥×¤Î1/4¤Ç¡¢Åö»þ¤ÎÀºÌ©²Ã¹©µ»½Ñ¤¬¤¦¤«¤¬¤¤ÃΤì¤Þ¤¹¡£
΢³¸¤ò³°¤¹¤È¤³¤ì¤â¥´¥à¥Ù¥ë¥È¤¬¿¤Ó¤Æ¤¤¤¿¡£
ÀéÀФËÃíʸ¤·¤¿¥´¥à¥Ù¥ë¥È¤ËÉÕ¤±Âؤ¨¤Æ¤ß¤ë¤È²ó¤é¤Ê¤¤¡¢¶â¶ñ¤Ë¥Ù¥ë¥È¤¬Åö¤¿¤Ã¤Æ¤¤¤¿¡£
0.95mm³Ñ¤Ç¤âÂÀ¤«¤Ã¤¿¡£ºÙ¤¤¥Ù¥ë¥È¤òõ¤·¤¿¤¬¼ê¤ËÆþ¤é¤Ê¤¤¡£
¤·¤Ð¤é¤¯·Ð¤Ã¤Æ¤«¤é¡¢¥´¥à¤ÏÇ®¤¹¤ë¤È½Ì¤à»ö¤Ëµ¤¤¬¤Ä¤¡¢³°¤·¤¿¥Ù¥ë¥È¤òÇ®Åò¤ËÅêÆþ¡£
°ìʬ¸å¤Ë½Ð¤·¤Æ¡¢½½Ê¬¤ËÎä¤ä¤·¤¿¤é½Ì¤Þ¤Ã¤¿Íͻҡ¢¼è¤êÉÕ¤±¤¿¤é¡¢Æ°¤¤Þ¤·¤¿¡¢²»¤¬½Ð¤¿¡ª
¤Ç¤â¤¹¤°¤Ë»ß¤Þ¤Ã¤Æ¤·¤Þ¤¦¡¢Ê̤ÎÌäÂ꤬¤¢¤ê¤½¤¦¡£
¤Ê¤ª¡¢¶â¶ñ¤ò³°¤¹¤È¤¤Ï¡¢¶â°¥Ü¡¼¥ë¤È¥Ð¥Í¤ËÃí°Õ¤·¤Ê¤¤¤È¤¤¤±¤Ê¤¤¡£
¥¦¥©¡¼¥¯¥Þ¥ó¤Î½¤Íý¡¢¤½¤Î£²¡¡2015/8/30¡¢9/2
¼¡¤ÏWM-DX100¡¢¤³¤ì¤Ï¹â²»¼Áµ¡¤Ç¥¢¥ë¥ß¥±¡¼¥¹¤Î¼Á´¶¤â¹â¤¯¡¢¼Î¤Æ¤ë¤Î¤¬ÌÞÂΤʤ«¤Ã¤¿¡£
¤³¤Îµ¡¼ï¤ÏWeb¤òõ¤·¤Æ¤â½¤Íý¾ðÊ󤬸«¤Ä¤«¤é¤Ê¤«¤Ã¤¿¡£
- ÅÅÃÓ¥Õ¥¿¤Î¶â°¤Ä¤á¤ò¶Ê¤²¥×¥é³¸¤ò°ú¤È´¤¯
- ²¼¥±¡¼¥¹¤Î¥Ó¥¹(ÅÅÃÓ¦*2¡¢Î¢ÌÌ*2¡¢Â¦ÌÌ*2)¤ò³°¤¹
- ÅÅÃÓ¦¤«¤é»ý¤Á¾å¤²¤ë¤È¥±¡¼¥¹¤¬³°¤ì¤¿
- ¥Ù¥ë¥È¤ò³°¤½¤¦¤È¤·¤¿¤é¡¢°ìÉô¤¬ÍϤ±¤Æ¤¤¤¿¡¢¿¡¤¼è¤ê
- ¥Ù¥ë¥È¤ÎŤµ¤ò¬¤ë¤ÈÌó189mm(60¦µ)¤À¤Ã¤¿¤Î¤Ç¡¢55¦µ0.95³Ñ¤òÀéÀФËÃíʸ
- ¥Ù¥ë¥È¤Ï¤Í¤¸¤ê¤Ëµ¤¤ò¤Ä¤±¼è¤êÉÕ¤±
- ¥Ø¥Ã¥É¦¤Î¥¢¡¼¥à¤¬Ã¼¤Ë¹Ô¤Ã¤Æ¥í¥Ã¥¯¤·¤Æ¤ë»þ¤Ï¡¢¼ê¤Ç²ó¤·¤Æ²ò½ü¤¹¤ë
- ¥±¡¼¥¹¤ÎÅÅÃÓÂ¦Ãæ±û¥Ó¥¹(Ť¤)¤Ï¾å³¸¤Î¥¢¡¼¥à¤ò»ß¤á¤Æ¤¤¤ë¤Î¤ÇÃí°Õ
¤³¤Á¤é¤Ï1991ǯ(24ǯÁ°)¤À¤«¤é´ðÈĤϥÁ¥Ã¥×ÉôÉʤ˥եé¥Ã¥È¥±¡¼¥Ö¥ë¤Èºî¤ê¤Ïº£É÷¤Ë¤Ê¤Ã¤Æ¤ë¡£
ÁȤßΩ¤Æ¤Æ¡¢²¿²ó¤«Áàºî¤·¤Æ¤¤¤¿¤é¡¢ºÆÀ¸¤·¤Þ¤·¤¿¡ª¤¤¤¤²»¡ª¡¡!(^^)!

ÁàºîSW¤¬¤Ê¤«¤Ê¤«Áàºî¤É¤¦¤ê¤Îư¤¤ò¤·¤Ê¤¤¤Î¤Ç¡¢¥³¥³¤â½¤Íý¤·¤Æ¤ß¤¿¡£²¼¥±¡¼¥¹¤Î³°¤·¤«¤é³¤
- CN701¤Î¥í¥Ã¥¯¤ò²¼¤Ë¤º¤é¤·¤Æ¥Õ¥ì¥¤ò³°¤¹
- ¾å¥±¡¼¥¹¤Î¥Ó¥¹(ÅÅÃÓ¦*2¡¢Â¦ÌÌ*2)¤ò³°¤¹
- OPENËÕ¤ò°ú¤¯¤È¾å¥±¡¼¥¹¤¬³°¤ì¤ë
- ¥Õ¥ì¥¤Ï¦Ì̶â¶ñ¤Î´Ö¤òÄ̤·¤ÆÈ´¤¯
- ¾å¥±¡¼¥¹¤Î΢¦¥Ó¥¹*£²¤ò³°¤¹¡¢ÈĶâ¤Î¾å¦¤ËÄÞ¤¬¤¢¤ë¤Î¤Ç°ú¤¯Íͤˤ·¤Æ³°¤¹
- ÈĶâ¤Î΢¦¤ËSW´ðÈĤ¬ÉÕ¤¤¤Æ¤ë
- SW¤Ï¥Æ¡¼¥×¤Ç¸ÇÄꤵ¤ì¤Æ¤ë¤Î¤Ç¡¢ÀÜÃ奯¡¼¥×¤òÇí¤¬¤·SW¤Î´ðÈÄÌ̤ȶâ°Ì̤òË᤯
- ¥Æ¡¼¥×¤òÀÜÃ夷¤Æ¡¢¤¢¤È¤ÏµÕ¤Î¼ê½ç¤ÇÁȤßΩ¤Æ
- ÅÅÃÓ¦¥Ó¥¹*2¤Ï¥¢¡¼¥à¤ò¸ÇÄꤷ¤Æ¤ë¡¢¥¢¡¼¥à¤Ï¥«¥»¥Ã¥È¼õ¤±¤Ë¤Ï¤á¤Æ¤ª¤¡¢¶¦Äù¤á
SW¤Ïľ¤Ã¤¿´¶¤¸¤À¤¬¡¢¤Þ¤À¥«¥¿¥«¥¿²»¤¬¤·¤¿¤ê¡¢Æ°¤¤¤¿¤êư¤«¤Ê¤«¤Ã¤¿¤ê¤ÈÌäÂê¤Ï¿¤¤¡£
PS.¶á¤¯¤Î¥Ï¡¼¥É¥ª¥Õ¤ò²ö¤Ã¤Æ¤ß¤¿¤¬¡¢¥Æ¡¼¥×¤Î¥¦¥©¡¼¥¯¥Þ¥ó(¾¼ÒÀ½¤â)¤Ï¥¸¥ã¥ó¥¯¤â̵¤«¤Ã¤¿¡£ºß¸Ë½èʬ¤·¤¿¤Î¤«¡£
¡ã¥³¥á¥ó¥È¡ä
- ¥Ù¥ë¥È¾ðÊ󤢤꤬¤È¤¦¤´¤¶¤¤¤Þ¤¹¡£DX-100ľ¤ê¤Þ¤·¤¿¡£ - ËܸüÌÚ (2015/11/23 10:33)
- ¤ªÌò¤ËΩ¤Æ¤Æ¹¬¤¤¤Ç¤¹¡ª - ¤è¤· (2015/11/24 23:56)
¥¦¥©¡¼¥¯¥Þ¥ó¤Î½¤Íý¡¡2015/8/30¡¢9/9
ÀΤÎWalkman¶¤¬½Ð¤Æ¤¤¿¡¢ÅÅÃÓ¤òÆþ¤ì¤Æ¤â¤Þ¤Ã¤¿¤¯Æ°¤«¤Ê¤«¤Ã¤¿¤¬¡¢¤Õ¤È³°ÉôÅŸ»¤ò·Ò¤¤¤À¤éLED¤¬ÅÀ¤¤¤Æ¤Á¤ç¤Ã¤È²ó¤Ã¤¿¡£
¡¡Ê¬²ò¡¢½¤Íý¤ò°Ê²¼¤Î¤è¤¦¤Ê´¶¤¸¤Ç¤ä¤Ã¤Æ¤ß¤¿
- ¦Ì̤Υӥ¹£´¤Ä¤ò³°¤·¡¢¥±¡¼¥¹¤ò³°¤¹¡¢¥Ü¥ê¥å¡¼¥à´ðÈĤؤÎÇÛÀþ¤¬ÉÕ¤¤¤Æ¤ë
- ÅÅÃӥܥ寥¹¤Ø¤ÎÇÛÀþ¤¬³°¤ì¤Æ¤¤¤¿¡¢È¾ÅÄÉÕ¤±¡£ÇÛÀþ¤ÏºÙ¤¯¤ÆÀȤ¤¤Î¤ÇÃí°Õ
- ¶îưÍÑ¥´¥à¥Ù¥ë¥È¤¬¿¤Ó¤¤Ã¤Æ¤¤¤¿
- ´ðÈĻߤá¤Î¥Ó¥¹£´¤Ä¤ò³°¤·¡¢É⤫¤»¤Æ·ä´Ö¤ò¤Ä¤¯¤ë
- ·ä´Ö¤«¤é¥Ô¥ó¥»¥Ã¥È¤Ç¥´¥à¥Ù¥ë¥È¤ò³°¤·ÎØ¥´¥à¤ËÉÕ¤±Âؤ¨¤¿¡£
¡¡Ãæ¤Î´ðÈĤϥÁ¥Ã¥×ÉôÉʤ¬¤Û¤È¤ó¤É̵¤¯¤Æ¡¢ÇÛÀþ¤âºÙ¤¤Àþ¤òȾÅÄÉÕ¤±¤È»þÂå¤ò´¶¤¸¤ëºî¤ê¤À¡£
¤³¤ì¤ÇÁȤßΩ¤Æ¤ÆÆ°¤«¤·¤Æ¤ß¤ë¤È¡¢¤Á¤ç¤Ã¤È¤À¤±Æ°¤¤¤¿¡£¤³¤³¤ÇWeb¤òõ¤¹¤È½¤Íý¾ðÊ󤬸«¤Ä¤«¤Ã¤¿¡£
- ÀéÀÐÄ̾¦¤Ë¥´¥à¥Ù¥ë¥È(45¦µ¡¢1.2³Ñ)¤òÃíʸ¡£
¤³¤Î¥Ù¥ë¥È¤Ï¤µ¤¹¤¬¤ËÎØ¥´¥à¤È¤Ï°ã¤¤¿¤Ó¤¬¾¯¤Ê¤¤¡£¥Ù¥ë¥È¤Ï¤Í¤¸¤ê¤¬Ìµ¤¤¤è¤¦¤Ë¼è¤êÉÕ¤±¡£
¡¡¥Ù¥ë¥È¤Ï0.95³Ñ¤Ç¤âÎɤ«¤Ã¤¿¤«¤â¡¢¤½¤ì¤Ë¾¯¤·¥Æ¥ó¥·¥ç¥ó¤¬Â¤ê¤Ê¤¤¡©´¶¤¸¤â¤¹¤ë¤¬½ãÀµ¤Ï̵¤¤¤Î¤Ç»ÅÊý¤Ê¤¤¡£
¡¡¥«¥»¥Ã¥È¥Æ¡¼¥×¤òÆþ¤ì¤ë¤È¡¢¤Ê¤ó¤È34ǯÁ°¤Î¥¦¥©¡¼¥¯¥Þ¥ó¤«¤é²»¤¬½Ð¤Þ¤·¤¿¡ª¡¡´¶Æ°(^^)¡¡
¡¡¤¿¤À¡¢FF¤¬¤À¤á¤È¤«¡¢ºÆÀ¸Ãæ¤Ë»ß¤Þ¤Ã¤¿¤ê¤·¤ÆÄ¾¤Ã¤¿¤È¤Ï¸À¤¤¤¬¤¿¤¤¡£

¤½¤Î¸å¡¢¥×¥é¥¹¥Á¥Ã¥¯¥®¥¢¤¬³ä¤ì¤Æ¤¤¤ë»ö¤¬È½¤Ã¤¿¡£¤³¤ê¤ãÆñ¤·¤¤¡£
¶â°¤Î±ßÈפËÎØ¾õ¤Î¥×¥é¥®¥¢¤¬ÖÈ¤á¤Æ¤¢¤ëÉôÉʤǡ¢¥×¥é¥¹¥Á¥Ã¥¯¤¬¼ý½Ì¤·¤Æ³ä¤ì¤¿¤Î¤À¤í¤¦¡£
Let's note CF-Y8¤Î¸Î¾ã¡¡2014/12/4-6
ͽÈ÷µ¡¤ÎCF-Y8¤¬¸Î¾ã¤·¤¿¡¢WindowsXP¤Îµ¯Æ°Ä¾¸å¤Ë¥Ö¥ë¡¼¥¹¥¯¥ê¡¼¥ó¤¬½Ð¤Æ¤·¤Þ¤¦¡£
¡¡¤³¤ì¤Ï·Ð¸³¤Î¤Ê¤¤¾É¾õ¤À¤¬¡¢¥Ð¥Ã¥¯¥é¥¤¥È¸ò´¹Á°¤Ë¥Õ¥ê¡¼¥º¤¬ÉÑȯ¤·¤¿»þ¤¬¤¢¤Ã¤¿¡£
¡¡¤³¤Î»þ¤ÏCHKDSK¤ä¥¯¥ê¥ó¥Ê¥Ã¥×¤ò¤ä¤Ã¤¿¤é¥Õ¥ê¡¼¥º¤·¤Ê¤¯¤Ê¤Ã¤Æ¡¢¤½¤Î¸å¤Ë²¿²ó¤«»ÈÍѤ·¤¿¡£
¥»¡¼¥Õ¥â¡¼¥Éµ¯Æ°¢ªCHKDSK(¥Õ¥¡¥¤¥ë¥·¥¹¥Æ¥à)¢ª°Û¾ï¤Ê¤·¢ª¥»¡¼¥Õ¥â¡¼¥Éµ¯Æ°¤·¤Ê¤¯¤Ê¤Ã¤¿¡£
¡¡¤³¤Î¸å¡¢µ¯Æ°»þ¤ËCHKDSK¤ò¼Â¹Ô¤·¤Æ¤·¤Þ¤¦Íͤˤʤä¿¡£
¡¡¥³¥Þ¥ó¥É¥×¥í¥ó¥×¥Èµ¯Æ°¢ªCHKDSK(¥»¥¯¥¿)¢ª°Û¾ï¤Ê¤·¢ª¥³¥Þ¥ó¥É¥×¥í¥ó¥×¥Èµ¯Æ°¤·¤Ê¤¯¤Ê¤Ã¤¿¡£
¡¡µ¯Æ°»þ¤ÎCHKDSK¼Â¹Ô¤Ï¤¢¤¤¤«¤ï¤é¤¹¡£Windows¥Î¡¼¥Þ¥ëµ¯Æ°»þ¤Î¥Ö¥ë¡¼¥¹¥¯¥ê¡¼¥ó¤âÊѤï¤é¤º¡£
BOIS¤Ë¥Ï¡¼¥É¥Á¥§¥Ã¥¯¤¬Í¤Ã¤¿¤Î¤Ç¤ä¤Ã¤Æ¸«¤ë¤¬°Û¾ï¤Ê¤·¡£
¡¡Linux¤Î¥Ö¡¼¥¿¥Ö¥ëDVD¤¬¤¢¤Ã¤¿¡¢¤À¤¬Linux¤«¤éHDD¤¬Ç§¼±¤µ¤ì¤º¥Þ¥¦¥ó¥È¤Ç¤¤Ê¤«¤Ã¤¿¡©¡©
¡¡¤ä¤Ã¤Ñ¤êHDD¤¬²ø¤·¤¤¤Î¤Ç¡¢¼¡¤Î¼ê¤Î¤¿¤á¤ËHDD(STAT)³°ÉÕ¤±¥±¡¼¥¹¤òÃíʸ¤·¤¿¡£
HDD¤ò³°¤·¡¢Æþ¼ê¤·¤¿¥Î¥Ð¥Ã¥¯¡Ö¤Ï¤¤¡Á¤ëKIT¡×¤ËÁõÃå¡¢CF-Y9¤Ë·Ò¤¤¤Ç³°ÉÕ¤±¥É¥é¥¤¥Ö¤Ë¤·¤¿¡£
´ÉÍý¼Ô¸¢¸Â¤Ç¸ÍÏǤ俤¬²¿¤È¤«¥Ð¥Ã¥¯¥¢¥Ã¥×¤«¤é¥ì¥¸¥¹¥È¥ê¤ò¥³¥Ô¡¼¤·Æþ¤ìÂØ¤¨¤Æ¤ß¤¿¡£
HDD¤òÌᤷ¤Æµ¯Æ°¤¹¤ë¤È¡¢»Äǰ¤Þ¤¿¤â¥Ö¥ë¡¼¥¹¥¯¥ê¡¼¥ó¡£¥»¡¼¥Õ¥â¡¼¥É¤ÏOK¡£
¥ì¥¸¥¹¥È¥ê¤Ç¤Ï¤Ê¤«¤Ã¤¿¡¢¥É¥é¥¤¥Ð¤«²¿¤«¤Î¥Õ¥¡¥¤¥ë¤¬²õ¤ì¤¿¤Î¤À¤í¤¦¤«¡©
¥»¡¼¥Õ¥â¡¼¥É¤«¤é¥·¥¹¥Æ¥à¹½À®¥æ¡¼¥Æ¥£¥ê¥Æ¥£¤òµ¯Æ°¤·¿ÇÃÇ¥¹¥¿¡¼¥È¥¢¥Ã¥×¤Çµ¯Æ°¢ªOK¤À¡£
½ç¤Ë»î¤·¤Æ¤¤¤¯¡¢SYSTEM.INI½èÍý¢ªOK¡¢WIN.INI½èÍý¢ªOK¡¢¥·¥¹¥Æ¥à¥µ¡¼¥Ó¥¹¢ªOK
¥¹¥¿¡¼¥È¥¢¥Ã¥×¹àÌܤǷë¶É¡¢¥¢¥ó¥Á¡¦¥¦¥¤¥ë¥¹¥½¥Õ¥È¤¬¸¶°ø¤Ê»ö¤¬È½¤Ã¤¿¡£
¥¢¥ó¥¤¥ó¥¹¥È¡¼¥ë¡¢ºÆ¥¤¥ó¥¹¥È¡¼¥ë¤ÇOK¡£¤º¤¤¤Ö¤ó±ó²ó¤ê¤·¤Æ¤·¤Þ¤Ã¤¿¡£
Nexus7¤Î½¤Íý¡¡2014/7/12¡¢10/19
Nexus7¤ò»ý¤Á½Ð¤·¤Æ¤¤¤¿¤é¡¢ÆÍÁ³¡¢ÅŸ»¤¬Æþ¤é¤¯¤Ê¤Ã¤¿¡£
ÅŸ»¥Ü¥¿¥óĹ²¡¤·¤È¤«¤ä¤Ã¤Æ¤â¥À¥á¡£(*_*;
¸Î¾ã¤¹¤ëÁ°¡¢½¼ÅŤϽ½Ê¬¤Ê¤Ï¤º¤Ç¤¢¤Ã¤¿¤¬¡¢Web¾å¾ðÊó¤ÇºÆÅÙ¤ä¤Ã¤Æ¤ß¤¿¤¬NG¡£
»ÅÊý¤Ê¤¯³Ì³ä¤ê¤·¤Æ¤ß¤¿¡£°Õ³°¤È´Êñ¤Ë΢³¸¤Ï³°¤ì¤¿¡£
¥Ð¥Ã¥Æ¥ê¤«¤é¤ÎÅŸ»¥³¥Í¥¯¥¿¤Î¥í¥Ã¥¯¤¬³°¤ì¤Æ·ä´Ö¤¬¤Ç¤¤¤¤¿¡£
¥Ô¥ó¥»¥Ã¥È¤ÇŦ¤ó¤Ç¤ß¤ë¤È³°¤ì¤Æ¤¤¤¿¡£¿¶Æ°¤Ê¤É¤Ç¥Ð¥Ã¥Æ¥ê¤Ë¤º¤ì¤ëÎϤ¬³Ý¤«¤ê³°¤ì¤¿¤è¤¦¤À¡£
¤Ï¤áľ¤·¤¿¤éÅŸ»¥Ü¥¿¥ó¤Çµ¯Æ°¤·¤Þ¤·¤¿¡ª
10/18¤ÎÄ«¡¢ÅŸ»¤¬Æþ¤é¤Ê¤¯¤Ê¤Ã¤¿¡¢ºòÌë¤Þ¤Ç¤ÏÌäÂê¤Ê¤«¤Ã¤¿¤Î¤Ë¡©¡©
¤Þ¤¿³°¤ì¤¿¤«¤È¡¢³Ì³ä¤ê¤·¤Æ¤ß¤¿¤¬¥³¥Í¥¯¥¿¤Ï°Û¾ï¤Ê¤·¡£
ÉÕ°¤ÎAC¥¢¥À¥×¥¿¤«¤éUSB¤ËÀܳ¤·¤Æ½¼ÅŤ·¤Æ¤ß¤ë¤¬¡¢Á´¤¯¥À¥á¡£
°ìÈÕ½¼ÅŤ·¤Æ¤«¤é¡¢¥Ü¥¿¥ó¤ò²¡¤·¤Æ¸«¤ë¤¬ÊѤï¤é¤Ê¤«¤Ã¤¿¡£
ºÆÅÙ¡¢³Ì³ä¤ê¤·¤Æ¥Ð¥Ã¥Æ¥êÅ۵¤ò¬¤Ã¤Æ¤ß¤¿¤é3.3V¤òÀڤäƤ¤¤¿¡£ÊüÅŤ·¤¹¤®¤Æ¤¤¤ë¡£
Ä´¤Ù¤Æ¤ß¤ë¤ÈÀìÍÑ¥¯¥ì¥É¡¼¥ë¤ò»È¤Ã¤Æ½¼ÅŤ¹¤ë¤ÈÉü³è¤Ç¤¤ë¤é¤·¤¤¡£
º¸²¼¤Î¥¯¥ì¥É¡¼¥ëÍÑ£´¤Ä¤Îü»Ò¤Ï°ìÈ־夬GND¡¢Ãæ¤ÏAudio¤Ç¡¢²¼¤¬£µV¡¢¤È¤Î»ö¤Ç¡¢¥³¥³¤Ë5V¤òÅö¤Æ¤Æ¤ß¤¿¡£
ÅÅή¤Ï̮ήŪ¤Ë35mA°Ì¤Ê¤¬¤ì¤Æ¤¤¤¿¡¢£²»þ´Ö°Ì¤«¤«¤Ã¤Æ¡¢¤ä¤Ã¤È3.4VĶ¤Þ¤Ç¾å¤¬¤Ã¤¿¡£
¤³¤³¤ÇAC¥¢¥À¥×¥¿(USB)¤ò¤Ä¤Ê¤¤¤À¤é½¼ÅÅ¥Þ¡¼¥¯¤¬É½¼¨¤µ¤ì¤ä¤Ã¤ÈÉü³è¡ª¡ª¡¡´Ý£²Æü¤«¤«¤Ã¤¿¡£
¥Î¡¼¥È¥Ñ¥½¥³¥ó¤Î¥Ð¥Ã¥¯¥é¥¤¥È¸Î¾ã¡¡2013/4/7¡¢2014/11/23
ºÇ¶á¡¢CF-Y8¤Î¥Ð¥Ã¥¯¥é¥¤¥È¤¬»þ¡¹¡¢¤Á¤é¤Ä¤¯¤È»×¤Ã¤Æ¤¤¤¿¤é¡¢¤È¤¦¤È¤¦¾Ã¤¨¤Æ¤·¤Þ¤Ã¤¿¡£
ÅŸ»ONľ¸å¤ÏÅÀ¤¯¤â¤Î¤Î¤·¤Ð¤é¤¯¤¹¤ë¤È¾Ã¤¨¤ë¡¢¤É¤¦¤·¤è¤¦¤â¤Ê¤¤¤Î¤Ç½¤Íý¤ò»î¤ß¤¿¡£
¥°¥°¤Ã¤Æ¸«¤ë¤È¡¢Let's note¤Ç¿¤¤¸Î¾ã¤ß¤¿¤¤¤Ç½¤Íý²°¤µ¤ó¤Î¥Ú¡¼¥¸¤¬Âô»³½Ð¤Æ¤¤¿¡£
¤³¤Á¤é¤Îʬ²òÊýË¡¤ò»²¹Í¤Ë¤Ð¤é¤·¤Æ¤ß¤ë¡£
Å·ÈĤò³°¤¹¤Î¤ËÄޤΤȤ³¤í¤ËÍ̻ޤò20ËÜ(Á°¸å6ËÜ¡¢º¸±¦£´ËÜ)º¹¤·¹þ¤ó¤À¤é¡¢¤¦¤Þ¤¯¹Ô¤Ã¤¿¡£
Îä±¢¶Ë´É¤ÎÇòÀþ¤Î¤È¤³¤í¤Ë¾Æ¤±¤¿Àפ¬¤¢¤ê¼ù»é¥Õ¥ì¡¼¥à¤â¾¯¤·ÊÑ·Á¤·¤Æ¤¤¤¿¡£
¹â°µ´ðÈĤò³°¤·¤ÆÇòÀþ¤ò°ú¤½Ð¤·¤¿¤é¡¢¥Ý¥í¥Ã¤È³°¤ì¤Æ¤·¤Þ¤Ã¤¿¡£
¥³¥³¤¬ÀÚ¤ì¤ÆÀÜ¿¨ÉÔÎɤˤʤäƤ¤¤¿¤è¤¦¤À¡£
¤³¤ì°Ê¾å¤Îʬ²ò¤ÏÆñ¤·¤½¤¦¤Ê¤Î¤Ç¡¢¥´¥à¤ò³°¤·¤ÆÎä±¢¶Ë´É¤Îü»Ò¤Ë¾å¤«¤éȾÅÄÉÕ¤±¡£
¸å¤Ï¤À¤¤¤¿¤¤¸µ¤É¤¦¤ê¤ËǼ¤á¤ÆºÆÁȤßΩ¤Æ¡¢Ìµ»ö¤Ë¼£¤ê¤Þ¤·¤¿¡£
let'snote¤ÏÍ̾µ¡¼ï¤À¤«¤é¾ðÊó¤¬Â¿¤¯¤Æ½õ¤«¤Ã¤¿¡£
¤½¤Î¸å¡¢CF-Y9¤ÈÈæ¤Ù¤ë¤È°Å¤µ¤¬ÌÜΩ¤Ã¤¿¤Î¤Ç¡¢¥Ð¥Ã¥¯¥é¥¤¥È¤ÎÎä±¢¶Ë´É¤ò¸ò´¹¤·¤¿¡£
¡¡³°¤·¤¿¥Ð¥Ã¥¯¥é¥¤¥È¤ÏÁ´Ä¹300mm¤Ç¸ò´¹ÉʤÏÁ´Ä¹296mm¤È¾¯¤·Ã»¤«¤Ã¤¿¡¢Àä±ï¤Ëµ¤¤òÉÕ¤±¤ÆOK¡£
ÌÀ¤ë¤µ¤Ï¤«¤Ê¤êÎɤ¯¤Ê¤ê¡¢¿§Ì£¤â²«¿§¤Ã¤Ý¤«¤Ã¤¿¤Î¤¬Çò¤Ë¶á¤¯¤Ê¤ê¤Þ¤·¤¿¡£
¼è¤ê½Ð¤·¤¿Îä±¢¶Ë´É¤Ï¿·ÉʤËÈæ¤Ù²«¤Ð¤ó¤Ç¤¤¤Þ¤·¤¿¡£
AC¥¢¥À¥×¥¿¡¼¤ÎÅ۵Êѹ¹¡¡2013/1/4
½©·î¤Î60W AC¥¢¥À¥×¥¿¡¼(STD-1205)¤Ç̵Àþµ¡¤òư¤«¤¹¤È¡¢12V¤Ê¤Î¤ÇÅ۵¤¬µ¤¤Ë¤Ê¤ë¡£
5A¤Ë¤·¤Æ¤ÏDC¥³¡¼¥É¤¬ºÙ¤á¤ÇÅ۵¹ß²¼¤âÂ礤¤µ¤¤¬¤¹¤ë¤·¡£
ʬ²ò¤·¤Æ¤ß¤¿¤é¡¢Å۵Êѹ¹¤Ç¤¤½¤¦¤À¤Ã¤¿¤Î¤Ç»î¤·¤Æ¤ß¤¿¡£

ʬ²ò¤Ï¥´¥à¤β¼¤Ë¥Ó¥¹¤¬¤¢¤ë¤Î¤Ç¡¢¤³¤ì¤ò³°¤¹¤È¥±¡¼¥¹¤¬¼è¤ì¤ë¡£
¼¡¤Ë¥Ñ¥ï¡¼¥È¥é¥ó¥¸¥¹¥¿¡©£²¤Ä¤¬ÊüÇ®ÍѤΥ¢¥ë¥ßÏȤ˸ÇÄꤵ¤ì¤Æ¤¤¤ë¤Î¤Ç¡¢¥¯¥ê¥Ã¥×¤ò¤º¤é¤·¤Æ³°¤¹¡£
¤¢¤È¤Ï´ðÈĤò»ß¤á¤Æ¤ë¥Ó¥¹¤ò³°¤»¤ÐOK¤Ç¤¹¡£
²óÏ©¤Ï±¦¤¬À°Î®¤Ç¡¢º¸¤¬DCÅ۵À©¸æ¤é¤·¤¤¥Ö¥í¥Ã¥¯¤Ëʬ¤«¤ì¤Æ¤¤¤Þ¤·¤¿¡£
¤è¤¯¸«¤ë¤È½ÐÎϤζ᤯¤ËR151,R150¤Îʬ°µÄñ¹³¤¬¤¢¤ê(¼Ì¿¿º¸²¼)¡¢¤³¤ì¤¬Å۵¤ò·è¤á¤Æ¤¤¤½¤¦¡£
Äñ¹³ÃͤÏ9.31K¤È2.37K¤À¤Ã¤¿¤Î¤Ç¡¢12V¢ª13.8V¤òÌܻؤ·¤Æ¥¨¥¯¥»¥ë¤Ç·×»»¡£
´ð½à¤Ï2.44V¤«¡£R150¤Ë13K¤ò¥Ñ¥éÉÕ¤±¤·¤Þ¤·¤¿¡£
ÁȤßΩ¤Æ»þ¤Ï¥Ñ¥ï¡¼¥È¥é¥ó¥¸¥¹¥¿¤ÎÀä±ï¥·¡¼¥È¤Ëµ¤¤ò¤Ä¤±¤Ä¤Ä¥¯¥ê¥Ã¥×¤òÉÕ¤±¤Þ¤·¤¿¡£
¤³¤ì¤Ç½ÐÎÏÅ۵¤Ï̵»ö¤Ë13.8V¤ËÊѹ¹¤Ç¤¤Þ¤·¤¿¡£
Ãí¡¢ACÅŸ»µ¡´ï¤Î²þ¤¤Ï¥ê¥¹¥¯¤¬È¼¤¤¤Þ¤¹¡¢¤¢¤¯¤Þ¤Ç¤´¼«Ê¬¤ÎÀÕǤ¤Ç¹Ô¤Ê¤Ã¤Æ¤¯¤À¤µ¤¤¡£
¥Ï¡¼¥É¥Ç¥£¥¹¥¯¸Î¾ã¡¡2011/11/3
InterLink¤ò¥Ð¥Ã¥Æ¥ê¤Ç»È¤Ã¤Æ¤¤¤Æ¡¢»Äɽ¼¨¤¬25ʬ¤òÀڤäưìöOFF¤·¤¿¤â¤Î¤Î¡¢¤â¤¦¾¯¤·¤ÈΩ¤Á¾å¤²¤¿¤Î¤¬¤¤¤±¤Ê¤«¤Ã¤¿¡£
ÆÍÁ³¡¢ÅŸ»Íî¤Á¤·¤Æ¤·¤Þ¤Ã¤¿¡£²È¤ÇAC¥¢¥À¥×¥¿¡¼¤Ë·Ò¤¤¤À¤¬µ¯Æ°¤·¤Ê¤¤¡ª
HDD¤ò¼è¤ê½Ð¤·¤ÆÍ½È÷¤È¸ò´¹¤·¤¿¤éPC¤ÏÉüµì¡£¤À¤¬¡¢HDD¤Ï²óž²»¤¬¤»¤ºNG¡£¥Ç¡¼¥¿¡¼¤¬¾Ã¤¨¤¿ Ž¡Žß(Žß¡§¥¡®Žß)ŽßŽ¡
¥ª¡¼¥¯¥·¥ç¥ó¤ÇƱ·¿HDD¤ò¼ê¤ËÆþ¤ì¤Æ¡¢¥È¥ë¥¯¥¹¥É¥é¥¤¥Ð¡¼¤âÇã¤Ã¤Æ´ðÈĤò¸ò´¹¤·¤Æ¤ß¤¿¡£¢ª¥À¥á¡¢´ðÈĤÏOK¡£
¥°¥°¥Ã¤Æ¤ß¤ë¤È¡¢ÅŸ»ÃǤǥ¹¥é¥¤¥À¡¼¤¬ÂàÈò¥¨¥ê¥¢¤Ø°Üư¤Ç¤¤º¡¢¥×¥é¥Ã¥¿¡¼¤Î¥Ç¡¼¥¿µÏ¿¥¨¥ê¥¢¤ËµÛÃ夷¤¿¥±¡¼¥¹¤ß¤¿¤¤¤À¡£
ºÇ°¡¦¡¦¶È¼Ô¤ËÍê¤à¤È¿ôËü¡Á½½¿ôËü±ß¤¹¤ë¤é¤·¤¤¡£Äü¤á¤«¡©
¤È¤¢¤ë¥Ú¡¼¥¸¤Ç¡ÖÅŸ»Æþ¤ì¤ÆÂ¦Ì̤«¤é¥¬¥Ä¥ó¤È᤯¤È¼£¤ë»ö¤¬¤¢¤ë¡×¤È¤¤¤¦µ½Ò¤òȯ¸«¡£
¾×·â¶Ø»ß¤ÎHDD¤ò᤯¤È¤Ï¡¦¡¦¤È»×¤¤¤Ä¤Ä¡¢»×¤¤Àڤäƥ³¥Í¥¯¥¿¤Ë±ó¤¤Â¦Ì̤ò¥É¥é¥¤¥Ð¡¼¤ÎƬ¤Ç¥¬¥Ä¥ó¡£
ÊѲ½¤Ê¤·¡£
º£Å٤ϥ³¥Í¥¯¥¿¤Ë¶á¤¤Â¦Ì̤ò¥¬¥Ä¥ó¢ª ¤Ê¤ó¤È¡¢²óž²»¤¬¤·¤Æ²ó¤ê¤À¤·¤¿¡ª¡ªÇ§¼±¤·¤Æ¡¢¥Ç¡¼¥¿¤Îµß½Ð¤ËÀ®¸ù¡ª¡¡
HDD³«¤±¤Ê¤¯¤Æ¤è¤«¤Ã¤¿¡£¡¡(^^)
¥¬¥¤¥¬¡¼¥«¥¦¥ó¥¿¤Î½¤Íý¡¡2011/9/18
Ê¡Å縶ȯ»ö¸Î¤¬¤¢¤Ã¤Æ¤«¤é¡¢¤«¤Ê¤êÀΤ˺î¤Ã¤¿½©·î¤Î¥¬¥¤¥¬¡¼¥«¥¦¥ó¥¿¥¥Ã¥È¤òËÙ¤ê½Ð¤·¤Æ¤¤¤Þ¤·¤¿¡£
¤¿¤À¡¢¥Ð¥Ã¥¯¥°¥é¥ó¥É¤ò¸¡½Ð¤»¤º¡¢¤É¤¦¤âư¤¤¤Æ¤¤¤ë´¶¤¸¤¬¤·¤Ê¤«¤Ã¤¿¡£
ºÇ¶á¡¢PÈÄ.com¤äCQ½ÐÈǤʤɿ§¡¹¤Ê¥¬¥¤¥¬¡¼¥«¥¦¥ó¥¿¥¥Ã¥È¤¬½Ð¤Æ¤¤Æ¡¢GM´É¤â½Ð¤Þ¤ï¤Ã¤Æ¤¤¿¡£
¤½¤³¤Ç¡¢¹â´¶Å٤Ȥ¤¤¦SBM-20¤Ë¸ò´¹¤·¤Æ¤ß¤Þ¤·¤¿¤¬¡¢ÊѲ½¤Ê¤·¡£¥¦¥é¥ó¥Ó¡¼¥º¤Ë¤âÈ¿±þ¤·¤Ê¤¤¡£
¹â°µ¤ò¥ª¥·¥í(10M¦¸)¤Ç¸«¤ë¤Èpeak35V¤Ç²ø¤·¤²¡£Hi-Z¤À¤«¤é¤À¤í¤¦¤«¡©
º£Å٤ϥª¡¼¥¯¥·¥ç¥ó¤òõ¤·¤Æ500M¦¸¤òÆþ¼ê¡¢¤³¤ì¤Çʬ°µ¤·¥Æ¥¹¥¿¡¼(P-16)¤Ç¿Þ¤ë¤È¡¢¿ô½½V¡¢¤¢¤é¤é¡£
¹â°µ¥³¥ó¥Ç¥ó¥µ¤ä¥È¥é¥ó¥¸¥¹¥¿¡¢IC¤âÄ´¤Ù¤¿¤¬¡¢ÌäÂê¤Ê¤µ¤½¤¦¡£
°ì¼¡Â¦¤Î10uF¤ò³°¤·¤ÆÂ¬¤Ã¤¿¤é¡¢ÍÆÎ̤¬¤Û¤È¤ó¤É̵¤·¡£ÍÆÎÌÈ´¤±¤Ç¤·¤¿¡£
¸ò´¹¤·¤¿¤é¡¢¥ª¥·¥í¤Ç¤Ïpeak140V¡¢500M¦¸Ê¬°µ¥Æ¥¹¥¿¡¼¤Ç¤Ï270V¡£¡Ê¥Û¥ó¥È¤Ï600V¡©¡Ë
ľ¤Ã¤¿¡ª¤¬¡¦¡¦¡¦¥Ð¥Ã¥¯¥°¥é¥ó¥É¸¡½Ð¤¬¤Á¤ç¤Ã¤È¿¤¹¤®¤ë´¶¤¸¤¬¤¹¤ë¡£
SBM-20¤ÎÄê³Ê¤Ï350¡Á475V¤Ê¤Î¤Ç¡¢°ì¼¡Â¦¤Ë¥À¥¤¥ª¡¼¥É¤òÆþ¤ì¾¯¤·²¼¤²¤Æ¤ß¤¿¡£
ʬ°µ¥Æ¥¹¥¿¡¼¤Ç¤Ï222V 17.5%¸º¤Ç495V¡©¡ÊͽÁÛ516V¡Ë¡¢¥¢¥Î¡¼¥ÉÄñ¹³¤â10M¦¸¤ËÊѹ¹¤·¤¿¡£
¤³¤ì¤ÇÍî¤ÁÃ夤¤¿´¶¤¸¤Ë¤Ê¤ê¡¢¥¦¥é¥ó¥Ó¡¼¥º¤Ë¤âÈ¿±þ¤·¤Þ¤·¤¿¡£
²ÈÄíÍÑ¥×¥é¥Í¥¿¥ê¥¦¥à Home Star Pro ¤Î²þ¤¡¡2010/12/30
Á°¤«¤éÍߤ·¤¤¤È»×¤Ã¤Æ¤¤¤¿¡¢Home Star Pro
¤òÆþ¼ê¤·¤¿¡£(Extra¤Ï¹â¤¤&Â礤¤¤Î¤Ç±óθ)
¥á¥¬¥¹¥¿¡¼¤ÎÂçÊ¿¤µ¤ó´Æ½¤¤À¤±¤¢¤Ã¤ÆÌó£¶Ëü¤ÎÀ±¤Ï¸«»ö¤Ç¡¢Å·°æ¤Ë¤Ï½½Ê¬¤À¡£
¤¿¤À¡¢¡ÖÀ±¤äÅ·¤ÎÀÌÀ¤ë¤¹¤®¡×¡Ö¥â¡¼¥¿¡¼²»¤¬Â礤¤¡×¤Î¤¬µ¤¤Ë¤Ê¤Ã¤¿¡£

ÌÀ¤ë¤¤¤Î¤Ï¡¢Êɤ¬Çò¤¤»ö¤â¤¢¤ë¤«¤â¤·¤ì¤Ê¤¤¤¬¡¢Æâ¢LED¤ÎÅÅή¤ò¸º¤é¤·¤Æ¸÷Î̤òÍî¤È¤¹»ö¤Ë¤·¤¿¡£
ʬ²òÊýË¡¤ÏCUSTOM¡¡HOMESTAR¤ËºÜ¤Ã¤Æ¤Þ¤·¤¿¡£
¥Ñ¥ï¡¼LED¤ËľÎó¤ËÆþ¤Ã¤Æ¤¤¤ë¡¢1.6¦¸¤ò³°¤·3.9¦¸¤ËÊѹ¹¡¢ÅÅή¤Ï0.33A¢ª0.14A¡¢¸÷Î̤ÏÌóȾʬ¤Ë¤Ê¤Ã¤¿¤Ï¤º¡£
Åê±Æ¤·¤Æ¤ß¤ë¤È¡¢°Å¤¯¤Ê¤Ã¤¿¡©¤È¤¤¤¦ÄøÅÙ¤À¤Ã¤¿¤¬¡¢Å·¤ÎÀî¤ÏÎɤ¤Ê·°Ïµ¤¤Ë¤Ê¤Ã¤¿¡£
¥Î¡¼¥È¥Ñ¥½¥³¥ó¤Î²þ¤¡¡2010/12/26
InterLink(MP-XP5220)¤Ï¾PC¤ËÈæ¤Ù¡¢¥Þ¥¤¥¯Gain¤¬¶Ëü¤Ë¹â¤¤¡£
̵Àþµ¡¤ÎIF¤òºî¤Ã¤Æ¤â¤¹¤´¤¯¹Ê¤é¤Ê¤¤¤È¥ì¥Ù¥ë¤¬¹ç¤ï¤Ê¤¤¤Î¤Ç»È¤¤Æñ¤¤¤·¡¢S/N¤âÉÔÍø¤À¡£
¤½¤³¤Ç¡¢InterLink¦¤ÎGain¤ò²¼¤²¤ì¤Ê¤¤¤«¤ÈÆâÉô¤òÄ´¤Ù¤Æ¤ß¤Þ¤·¤¿¡£

¥Þ¥¤¥¯Ã¼»ÒÉÕ¶á¤Ë¥ª¡¼¥Ç¥£¥ªIC¤ÎAD1881A¤¬¤¢¤ê¡¢¤³¤ì¤Î»ÅÍͽñ¤òõ¤·¤¿¤é¡¢21,22pin¤¬MicÆþÎϤÀ¤Ã¤¿¡£
¤½¤Î²¼¤Î¥ª¥Ú¥¢¥ó¥×LMV358-6pin¤¬·Ò¤¬¤Ã¤Æ¤¤¤Æ¡¢È¿Å¾ÁýÉý²óÏ©¤È¤Ê¤Ã¤Æ¤¤¤¿¡£
¤½¤Îº¸²£¤ÎÄñ¹³¤¬Äê¿ô¤Ç82K:1K¡¢¤Ê¤ó¤È82ÇܤâÁýÉý¤·¤Æ¤¤¤¿¡ª
¤«¤Ê¤ê²¼¤²¤Æ¤âÂç¾æÉפÀ¤í¤¦¤È¡¢4.7K(4.7ÇÜ)¤ËÊѹ¹¤·¤Æ¤ß¤¿¡£
¤³¤ì¤Ç¡¢WSJT¤Ç¸«¤Æ20dB¶á¤¯²¼¤¬¤Ã¤¿¡¢¤³¤ì¤Ç¤â¾PC¤ËÈæ¤Ù¤ë¤È¤Þ¤ÀGain¤Ï¹â¤¤¡£
¤½¤ì¤Ê¤é¤È1K(1ÇÜ)¤ËÊѹ¹¤·¤¿¤é¡¢¤ä¤Ã¤È¾PC¤ÈÆ±ÄøÅ٤ˤʤä¿¡£
InterLink¤ÏÂæÏÑÀ½¤é¤·¤¤¤¬¡¢À߷ץߥ¹¤«¡©¥ß¥¹Mt¤¸¤ã¤Ê¤¤¤Î¤«¡©¤È»×¤Ã¤Æ¤·¤Þ¤¦¡£
TS-680¤Î¥Á¥å¡¼¥ó¡¡2008/12/5
TS-680¤Ï¾¤ÎRIG¤ËÈæ¤Ù¥ª¡¼¥Ç¥£¥ªOUT¤¬Â礤¯¡¢IN¤Ï¾®¤µ¤¤¤¯¤Æ¡¢IF¤¬Ä´À°¤·¤Ë¤¯¤¤¡£
¼èÀâ¤òį¤á¤Æ¤¤¤¿¤é¡¢IN¤ÏÆâÉô¤ËVR¤¬¤¢¤ê¤Þ¤·¤¿¡£(*^_^*)
¤µ¤é¤ËOUT¤Ï²óÏ©¿Þ¤ò¸«¤ë¤ÈTrAMP¤À¤Ã¤¿¤Î¤Ç¡¢¥¨¥ß¥Ã¥¿¤Î¥±¥ß¥³¥ó¤ËÄñ¹³¤òÆþ¤ì¤ì¤ÐGAIN¤òÍî¤È¤»¤ë¡£
²þ¤á¤Æ¤Ð¤é¤·¤Æ¸«¤ë¤È¡¢8255¤ä27C128¤ò»È¤Ã¤Æ¤¤¤Æ¥Ç¥¸¥¿¥ëÉôʬ¤Ï»þÂå¤ò´¶¤¸¤ë¡£
¤Ç¤â¡¢¥·¥°¥Ê¥ë´ðÈĤÏ΢Ì̤ˤâ¥Á¥Ã¥×ÉôÉʤò¿¿ô»È¤Ã¤Æ¤¤¤¿¡£
C315¤Ë47¦¸¤òÊú¤«¤»¤¿¡£¤Ä¤¤¤Ç¤Ë¥Ø¥Ã¥É¥Û¥ó½ÐÎϤ¬Ä㤫¤Ã¤¿¤Î¤ÇÄñ¹³¤ò¥Ñ¥éÉÕ¤±¤·¤¿¡£
¤³¤ì¤Ç¥ì¥Ù¥ë¤Ï¾¯¤·¶á¤¯¤Ê¤Ã¤¿¡£IF¤ÎVRÄ´À°¤¬¤ä¤ê¤ä¤¹¤¯¤Ê¤Ã¤¿¡£¡Ê¤è¤¦¤Ê¡Ë
C620½¤Íý¤Ê¤É¡¡2008/9/1-2
¤É¤¦¤¤¤¦Ìõ¤«½µËö¤Î±¿ÍѤǿ§¡¹¤ÊÉÔ¶ñ¹ç¤¬¤Þ¤È¤á¤ÆÈ¯³Ð¤·¤¿¤Î¤Ç¡¢½¤Íý¤·¤Æ¤¤¤Þ¤¹¡£
¡¡¢AO-51up¤»¤º¡£¢ª 144MHz¤Î¥±¡¼¥Ö¥ëBNC¥³¥Í¥¯¥¿¤Î¿Ä¤¬°ú¤Ã¹þ¤ó¤Ç¤¤¤¿¡£
¡¡¢¡¢°ÜưÍѤÎÅŸ»¥±¡¼¥Ö¥ëÀڤ졣¢ª ȾÅÄÉÕ¤±¤ä¤êľ¤·¡£
¡¡£¡¢2400MHz¤¬Á÷¼õ¿®¤È¤â£æ¤º¤ì¡£¢ª ¥³¥ó¥Ð¡¼¥¿¡¢TX¤È¤âºÆÄ´À°¡£
¡¡¤¡¢C620Á÷¿®²»NG¡£¢ª ¸å¤Ç¥â¥Ë¥¿¡¼¤·¤¿¤é¡¢¥¥å¡¼¥ó¤Èȯ¿¶²»¤¬Æþ¤Ã¤Æ¤¤¤¿¡£¤è¤¯QSO¤Ç¤¤¿¤â¤ó¤À¡£
¡¡¥¡¢¥Î¡¼¥ÈPC¤Î±¦¥¯¥ê¥Ã¥¯¤¬ÉÔÄ´¡£¢ª ¥¿¥¯¥ÈSW¤ò¸ò´¹¤¹¤ëɬÍ×¥¢¥ê¡£
¡¡¦¡¢¥Î¡¼¥ÈPC¥Þ¥¤¥¯ÆþÎϤËÊѤʥӡ¼¥È¤¬Æþ¤ë¡£
¤¤¬Æñ¤·¤¤¡££²Ç¯Á°¤Ë°ìÉô¤Î¥Á¥Ã¥×¥±¥ß¥³¥ó¤òÍÆÎÌÈ´¤±¤Ç¸ò´¹¤·¤Æ¤ë¤Î¤Ç¡¢º£²ó¤â¤ÈͽÁÛ¤·¤¿¡£
¥ª¥·¥í¤Ç¸«¤Æ¤ß¤ë¤ÈQ621¥Þ¥¤¥¯¥¢¥ó¥×¤Î°ìÃÊÌܤǤ¹¤Ç¤Ëȯ¿¶¤·¤Æ¤¤¤ë¡£
OP-AMP¼þ¤ê¤ÎÉôÉʤÎȾÅÄÉÕ¤±¤ò¤ä¤êľ¤·¤Æ¸«¤ë¤¬ÊѲ½¤Ê¤·¡£
´ð½àÅ۵¤ò¸«¤ë¤ÈÍÉ¤ì¤Æ¤¤¤ë¡£C337 4.7/25V¤Î¥Á¥Ã¥×¥±¥ß¥³¥ó¤¬²ø¤·¤¤¡£
¶¹¤¯¤Æ³°¤¹¤Î¤¬Æñ¤·¤¤¤Î¤Ç10uF¤ò¥Ñ¥éÉÕ¤±¤·¤¿¤é¡¢¸«»ö¤Ëľ¤Ã¤¿¡£¤ä¤Ï¤êÍÆÎÌÈ´¤±¤Ç¤·¤¿¡£
¦¤âÆñ¤·¤¤¡¢PCʬ²ò¥Á¥§¥Ã¥¯¤ÇȾÅÄÉÕ¤±¤äÇÛÀþ¤ò³Îǧ¤·¤¿¤¬Ä¾¤é¤º¡£
Mic¶á¤¯¤Î¥Ó¥¹¤ò´Ë¤á¤Ë¤¹¤ë¤È½Ð¤Ê¤¤»ö¤Ëµ¤¤¬¤Ä¤¤¤¿¡£¤³¤ì¤Ç¹Ô¤³¤¦¡£
9/2.´Ë¤á¤ë¤ÈSP¦¤Ë²ó¤ê¹þ¤ßÌäÂê¡©¤Î½Ð¤ë»ö¤¬È¯³Ð¤·¤¿¡£
ÆâÉôÈĶâ¤äãþÂÎ¥·¡¼¥ë¥É¤È¤ÎÀÜ¿¨¤À¤í¤¦¤ÈͽÁÛ¤òÉÕ¤±¤Æ¡¢ºÆÅÙ¡¢Ê¬²ò¤·¤¿¡£
¥Ó¥¹¤ÇÍÞ¤¨¤é¤ìÀÜ¿¨¤¹¤ëÉôʬ¤òËᤤ¤Æ¡¢¥¢¥ó¥Æ¥ÊÍÑ¤ÎÆ³ÅÅ¥³¥ó¥Ñ¥¦¥ó¥É¤âÉÕ¤±¤¿¡£
¤³¤ì¤Ç¥Ó¥¹¤òÄù¤á¤Æ³Îǧ¡£OK¤À¡ªÄ¾¤Ã¤¿¤è¤¦¤Ç¤¹¡£(^_^;
¡ã¥³¥á¥ó¥È¡ä
- ¤¦¡Á¤ó¡¢¤¹¤´¤¤¡£¼¡²ó¤Î1200/2400¤Ç¤ÎQSO¤ò³Ú¤·¤ß¤Ë¤·¤Æ¤¤¤Þ¤¹hi¡ª - ¤¤³¤ê@JHºÇÂç¤ÎÆñ½ê (2008/09/02 00:09)
- °ì±þ¡¢¥á¡¼¥«¡¼À½¤È¤¤¤¦¤³¤È¤Ç³Îǧ¤â¤ì¤Ç¤·¤¿¡£¤´ÌÂÏǤª¤«¤±¤·¤Þ¤·¤¿¡£ - TLZ (2008/09/02 00:23)
¥±¡¼¥Ö¥ëÉÔÎÉ¡¡¡¡2008/4/27
2.4GHz¼Â¸³¤Î¤Ä¤¤¤Ç¤Ë²ÏÀîÉߤ«¤éͼÊý¤ÎAO-51¤Ë½Ð¤Æ¤ß¤¿¤¬¡¢¤Ê¤¼¤«±ÒÀ±¤Þ¤ÇÆÏ¤«¤Ê¤¤¡£
Ë¿¶É¤Ï2.5W¤ÇUP¤·¤Æ¤ë¤È¸À¤Ã¤Æ¤¤¤¿¤·º®¿®¤Ç¤Ï̵¤µ¤½¤¦¤À¡£°Üư¤Ï¼ºÇÔ¡£
²È¤Ëµ¢¤Ã¤ÆÄ´¤Ù¤Æ¤ß¤¿¤é¡¢145MHz¤Î¥±¡¼¥Ö¥ë¤¬¥Ñ¥ï¡¼¤òÅÁ¤¨¤Æ¤¤¤Ê¤«¤Ã¤¿¡ª¡©
Àè½µ¤Þ¤ÇOK¤À¤Ã¤¿¤Î¤Ë¡£¥Æ¥¹¥¿¡¼¤Ç¬¤ë¤ÈÌäÂê¤Ê¤¯ÃÇÀþ¤â¥·¥ç¡¼¥È¤â¤·¤Æ¤¤¤Ê¤¤¡£¡ÊÉԻ׵ġË
½©·î¤ÎRG-58C/U¤À¤¬¼õ¿®µ¡¤Ë¤Ä¤Ê¤¤¤ÇÊÒÊý¤Î¥³¥Í¥¯¥¿¤ò¤¤¤¸¤ë¤È¥¬¥ê¥¬¥ê¸À¤Ã¤¿¡£
Á°¤Ë¤â£±ËÜ¡¢¥³¥Í¥¯¥¿¤Î°µÃåÉôʬ¤Ç³°È餬Àڤ줿»ö¤¬¤¢¤Ã¤¿¤¬¡¢º£ÅÙ¤ÎÊý¤¬È½¤êÆñ¤¤¡£
²ø¤·¤¤¥³¥Í¥¯¥¿¤òÀÚ¤êÍî¤È¤·¤Æ¡¢ÉÕ¤±Âؤ¨¤¿¤é̵»ö¤Ë¥Ñ¥ï¡¼¤¬ÅÁ¤ï¤ëÍͤˤʤêľ¤Ã¤¿¡£
°Â¤¤ÉʤÏÂѵ×À¤¬¤¤¤Þ¤¤¤Á¤«¡£µ¤¤ò¤Ä¤±¤Æ»È¤Ã¤¿Êý¤¬¤è¤µ¤½¤¦¤Ç¤¹¤Í¡£
TR-751¤Î½¤Íý¡¡2008/2/9.15
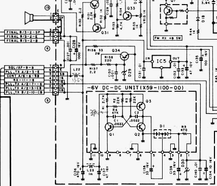
145MHz¤ÎTR-751¤¬¤Þ¤¿Ä´»Ò¤¬°¤¯¤Ê¤Ã¤Æ¤¤¿¡¢Á÷¿®¤ÎΩ¤Á¾å¤¬¤ê¤¬°¤¤¾É¾õ¤À¡£
¸¶°ø¤Ï-6V¤òºî¤ë»Ò´ðÈĤÇÉé²Ù¤¬Áý¤¨¤¿»þ¤Ë¥Þ¥ë¥Á¥Ð¥¤¥Ö¥ì¡¼¥¿È¯¿¶¤¬»ß¤Þ¤ê¤½¤¦¤Ë¤Ê¤Ã¤ÆÅ۵¤¬²¼¤¬¤ë¤Î¤À¡£
(¾ÜºÙ¡¢2006/5/8¡Ë
¤À¤¬¡¢¼ê¤òÆþ¤ì¤ë¤ÈÎɤ¯¤Ê¤ë¤Î¤Ç¤À¤Þ¤·¤À¤Þ¤·»È¤Ã¤Æ¤¤¤¿¡£
¤³¤Î²óÏ©¤ò¥·¥å¥ß¥ì¡¼¥¿¤Ç»î¤¹¤ÈÀ°Î®¤ÎÉé²Ù¤¬½Å¤¯¤Æ¤¦¤Þ¤¯È¯¿¶¤·¤Ê¤¤¡£¡Ê¤¢¤ä¤·¤¤¡Á¡Ë
¤½¤³¤Çº¬ËÜŪ¤Ëľ¤¹¤³¤È¤Ë¤·¤Æ¡¢½©·î¤«¤é¥Þ¥¤¥Ê¥¹ÅŸ»IC¡ÊLT1054¡Ë¤òÇã¤Ã¤¿¡£
º¸¤¬¿·´ðÈĤDZ¦¤¬¸µ¤Î»Ò´ðÈĤÀËÜÂδðÈĤΥ±¥ß¥³¥ó¤òήÍѤ·¤Æ¤ë¤Î¤Ç¡¢ÉôÉʤϤ¿¤Ã¤¿£³¥ö¤ÇºÑ¤ó¤À¡£
²óÏ©¿Þ¢ªM6V_1.gif
LT1054¤Î»ÅÍͽñ¤Ç¤Ï100uF¤À¤¬¡¢ÅÅή¤Ï¤½¤ó¤Ê¤Ë¿©¤ï¤Ê¤¤¤À¤í¤¦¤ÈËÜÂδðÈĤÎ33uF¤ÇºÑ¤Þ¤·¤Æ¤¤¤ë¡£
¤Þ¤¿¡¢Å۵°ÂÄê²½¤·¤Æ½Ð¤»¤ë¤¬º£²ó¤ÏËÜÂδðÈĤΥĥ§¥Ê¡¼Di²óÏ©¤òήÍѤ·¤¿¡£
ÁȤ߹þ¤ó¤À¤é¡¢LT1054¤«¤é¤Ï-12V¤¬½Ð¤Æ¤¤¤Æ¥Æ¥¹¥¿¡¼¤Ç¤Ï¥ê¥Ã¥×¥ë(ACÀ®Ê¬)¤ÏȽ¤é¤Ê¤«¤Ã¤¿¡£
¥Ñ¥ï¡¼¥á¡¼¥¿¡¼¤âµ¤»ý¤Á¤è¤¯¿¶¤ì¤ë¤è¤¦¤Ë¤Ê¤Ã¤¿¡£
º£¤Î¤È¤³¤íÌäÂê¤Ï̵¤µ¤½¤¦¤Ç¡¢²÷Ä´¤Ëư¤¤¤Æ¤¤¤ë¡£
2/15.¥Ä¥§¥Ê¡¼Di¤Ø¤Î470¦¸¤Ï²óÏ©¿Þ¤ÎÃͤÀ¤Ã¤¿¤¬¡¢12.3mA¤È¤Ê¤ê¤ä¤ä¿¤¤µ¤¤¬¤¹¤ë¡£
¡¡¸µ¤ÏÀ°Î®Di*2¤ÎÄã²¼¤â¤¢¤ë¤·¡¢-12V¤è¤êÄ㤫¤Ã¤¿¤è¤¦¤Ê¡£
¡¡100¦¸Áý¤ä¤·¤Æ10mA¤Ë¸º¤é¤¹¤³¤È¤Ë¤·¤Þ¤·¤¿¡£
HF¤ò¥Ñ¥ï¡¼¥¢¥Ã¥×¡¡2007/7/13-9/2
¥ª¡¼¥¯¥·¥ç¥ó¤ò¸«¤Æ¤¤¤¿¤é¡¢TS680ÍѤÎ25W¥Õ¥¡¥¤¥Ê¥ë¥æ¥Ë¥Ã¥È¡©¤¬½Ð¤Æ¤¤¤¿¡£
¤ä¤Ã¤ÑHF¤Ï10W¤¸¤ã¤ê¤Ê¤¤¤È»×¤Ã¤Æ¤¤¤¿¤Î¤ÇÅϤê¤ËÁ¥¡£¤Ê¤ó¤È¤·¤Æ¤â¤Èµ¤¹ç¤ÇÍ¡£
¤¹¤°¤ËÁ÷¤Ã¤Æ¤¯¤ì¤¿¤Î¤Ç¡¢³Îǧ¤ò¤È¤¤¤½¤¤¤½¤ÈTS680V¤Î10W¥æ¥Ë¥Ã¥È¤È¸ò´¹¡£(¤µ¤¹¤¬¤Ë½ãÀµ¥¹¥à¡¼¥º¤À)
Pow,MicºÇÄã¤ÇPTT¤ò²¡¤·¤¿¤é¡¢£µAÅŸ»¤ÎÅÅή·×¤¬¥É¡¼¥ó¤È¿¶¤ì¤ÆÅ۵Down¡ª¤Ê¤¼¡©¡©
¤È¤ê¤¢¤¨¤º10W¤ËÌᤷ¤¿¤éÀµ¾ï¤Ç¡¢¥Û¥Ã¡£
ÅÅή¤¬Â¿¤¹¤®¤ë¤Î¤Ï¡©¤È²óÏ©¿Þ¤È¥Æ¥¹¥¿¡¼¤ÇÄɤäưìÈչͤ¨¤Æ¤¤¤Þ¤·¤¿¡£
¥â¡¼¥¿¡¼¤«Bias¤·¤«¤Ê¤¤¤È¹Í¤¨¡¢¥æ¥Ë¥Ã¥ÈñÂΤǻ¡£¥â¡¼¥¿¡¼ÅŸ»¤òÀÚ¤êÎ¥¤·¤Æ¤âƱ¤¸¡£
Bias¤ÎTXB¤òÄ㤤Å۵¤«¤é¤ª¤½¤ë¤ª¤½¤ë¾å¤²¤Æ¹Ô¤¯¤Èή¤ì¤Ï¤¸¤á¤¿¡£Bias¤Ç¤·¤¿¡£
Ä´À°ÍÑVR1.VR2¤ò¸µ¤Î°ÌÃÖ¤è¤ê¾¯¤·²¼¤²¤¿½ê¤Ç¥¢¥¤¥É¥ê¥ó¥°ÅÅή¤â¤½¤ì¤Ê¤ê¤ÎÃͤˤʤê¤Þ¤·¤¿¡£
¤³¤ì¤Ç¡¢ÁȤ߹þ¤ó¤À¤é¥Ñ¥ï¡¼¤â¤Á¤ã¤ó¤È½Ð¤ÆÌµ»ö¤Ëư¤¯¤è¤¦¤Ë¤Ê¤ê¤Þ¤·¤¿¡£¥ä¥Ã¥¿¡ª
²óÏ©¿Þ¤ÈÈæ¤Ù¤ë¤È¡¢¤³¤Î¥æ¥Ë¥Ã¥È¤Ï100W¥æ¥Ë¥Ã¥È¤È»È¤Ã¤Æ¤ëÀÐ(2SC2509pp+2SC2879pp)¤âƱ¤¸¤Ç°ã¤¤¤Ï¶Ï¤«¤À¡£
ÅŸ»¤ò²¿¤È¤«¤¹¤ì¤Ð¡¢¥Ñ¥ï¡¼¤Ï¤â¤¦¾¯¤·½Ð¤ë¤À¤í¤¦¡£¡ÊÌȵö¤Ï´û¤Ë50W¡Ë
¤È¤³¤í¤Ç¡¢¥¢¥¤¥É¥ê¥ó¥°ÅÅή¤ÏVR1.VR2¤ÇÄ´À°¤Ç¤¤ë¤Î¤À¤¬¡¢¥«¥ó¤Ç¥É¥é¥¤¥Ö180mA¡¢¥Õ¥¡¥¤¥Ê¥ë250mA°Ì¤ËÀßÄꤷ¤¿¡£
¤³¤ÎÄøÅ٤Ǥ褤¤À¤í¤¦¤«¡©
9/2.All Asia Contest¤Ç¸Æ¤ó¤Ç¤ß¤¿¡£¥¤¥ó¥É¥Í¥·¥¢¤ä¥Õ¥£¥ê¥Ô¥ó¤Ê¤É21MHz¤Ç10¶É¤Û¤É¤Ç¤¤¿¡£
¡¡¤ä¤Ï¤ê10W¤Î»þ¤è¤ê¸Æ¤Ö²ó¿ô¤¬¸º¤Ã¤¿´¶¤¸¤À¡£ÀΤ«¤é4Çܾ夲¤ë¤È°ã¤¤¤¬¤Ç¤ë¤È¸À¤¦¤«¤éǼÆÀ¡£
¡ã¥³¥á¥ó¥È¡ä
- HSP¤ÇDDE¥¤¥ó¥¿¡¼¥Õ¥§¥¤¥¹¤òõ¤·¤Æ¤¿¤é¤³¤³¤Ë¤¿¤É¤êÃ夤ޤ·¤¿(^_^;) - UVJ (2007/07/19 21:35)
- UVJ¤µ¤ó¤³¤ó¤Ë¤Á¤Ï¡¢¤Á¤ç¤¯¤È¤Î¥Ú¡¼¥¸¡¢¼Â¸³¼¼¤Ëͤê¤Þ¤¹¡£HSP3¤Ç¤É¤¦¤ä¤ë¤«¤¬¡© - je2tlz (2007/07/19 23:08)
- This is a great tutorial thanks! - yang (2007/07/29 02:04)
¥¤¥ó¥Ð¡¼¥¿¡¼·Ö¸÷Åô¤Î½¤Íý¡¡2007/3/16
²æ¤¬²È¤Î¥¤¥ó¥Ð¡¼¥¿¡¼·Ö¸÷Åô¤¬¡¢¤·¤Ð¤é¤¯Á°¤«¤é¤À¤ó¤À¤óÅÀÅô¤¬ÃÙ¤¯¤Ê¤Ã¤Æ¤¤Æ¤¤¤Þ¤·¤¿¡£
10ǯ°Ê¾å»È¤Ã¤Æ¤¤¤ë¤·¡¢¤À¤á¤â¤È¤Çʬ²ò¤·¤ÆÃæ¤Î´ðÈĤò¸«¤¿¤éÅŲò¥³¥ó¥Ç¥ó¥µ¤Î³°Áõ¥Õ¥£¥ë¥à¤¬¤Ï¤¬¤ì³Ý¤«¤Ã¤Æ¤¤¤¿¡£
¼Ì¿¿¢ªLamp0710s.jpg
¤³¤ì¤Ï¡¦¡¦¤È³°¤·¤ÆÂ¬¤Ã¤Æ¤ß¤¿¤é¡¢Äê³Ê220uF¤ËÂФ·¤Æ24uF¤·¤«¤Ê¤«¤Ã¤¿¡£¤ä¤Ï¤êÍÆÎÌÈ´¤±¤·¤Æ¤¤¤Þ¤·¤¿¡£
¹âÂѰµÉʤÏÉáÄ̤ÎÄÌÈÎŹ¤Ë¤Ï¤Ê¤«¤Ê¤«Ìµ¤¤¤Î¤Ç¤¹¤¬¡¢£Ò£Ó¥³¥ó¥Ý¡¼¥Í¥ó¥Ä¤Ë¤Ïͤê¤Þ¤·¤¿¡£
220uF/200V/105¡îÉʤˤ·¤Þ¤·¤¿¤¬¡¢¸µ¤Î220uF/180V/105¡î¤è¤ê¥¹¥ê¥à¤Ç¤·¤¿¡£
¼è¤ê´ó¤»¤ÆÉÕ¤±Âؤ¨¤Æ¸«¤¿¤é¡¢ÂçÀ®¸ù¡ª ¿·Éʤλþ¤Î¤è¤¦¤Ë¤¹¤°ÅÀÅô¤¹¤ë¤·¡¢ÌÀ¤ë¤µ¤âÌá¤Ã¤¿µ¤¤¬¤·¤Þ¤¹¡£
¡ãÃí°Õ¡¢100Vµ¡´ï¤Î½¤Íý¤Ï´í¸±¤¬È¼¤¤¤Þ¤¹¡£ÅöÊý¤Ï°ìÀÚ¡¢´ØÃΤ·¤Þ¤»¤ó¡£¼«¿®¤Î̵¤¤¿Í¤Ï¼ê¤ò¤Ä¤±¤Ê¤¤Êý¤¬Îɤ¤¤Ç¤¹¡£¡ä
¥Ñ¥½¥³¥ó¤Î¥Ó¡¼¥ÈÂкö¡¡2007/1/10
¥Ñ¥½¥³¥ó¤È¥È¥é¥ó¥·¡¼¥Ð¡¼¤ò·Ò¤°¤È¡¢¼õ¿®¤Ë¥Ó¡¼¥È¤ä¤é˸³²¤¬Æþ¤ê¤Þ¤¹¡£
½Ð¤Ê¤¤¥Ñ¥½¥³¥ó¤¬Í¤ì¤ÐÎɤ¤¤Ç¤¹¤¬¡¢¤½¤¦¤â¹Ô¤«¤Ê¤¤¤Î¤Ç¾¯¤Ê¤¯¤¹¤ëÊýË¡¤ò¸¡Æ¤¤·¤Æ¤ß¤Þ¤·¤¿¡£
| ¥Î¡¼¥ÈPC | ±Æ¶Á¤Î½Ð¤ëBAND | ½ÐÊý |
|---|---|---|
| FIVA102 | HF¡Á144MHz¡¢Èù̯¤Ê¼þÇÈ¿ô¤Çº¹¤¬¤¢¤ë | ¥Ó¡¼¥È¾õ¤Ç29MHz¤ä144MHz¤Î²¼¤Ë¤è¤¯½Ð¤ë¡£ |
| InterLink | 435MHzÁ´ÂΡ¢144MHz°Ê²¼¤Ï¤ï¤ê¤È¾¯¤Ê¤¤ | CALSAT¤ËƱ´ü¤·¤¿¤Ð¤µ¤Ð¤µ¥Î¥¤¥º¡¢FO-29¤Çµ¤¤Ë¤Ê¤ë¡£ |
FIVA102¤ÏRS232¥±¡¼¥Ö¥ë¤ò·Ò¤²¤ë¤È¥Ó¡¼¥È¤¬Â¿¤¯¤Ê¤ê¤Þ¤¹¡£
´Êñ¤Ê¥Ñ¥Ã¥Á¥ó¥Á¥ç¡¼¥¯¤ò»î¤·¤¿¤È¤³¤í¡¢RS232¥±¡¼¥Ö¥ë¤Îξ¦¤Ë¤Ä¤±¤ë¤Î¤¬¸ú²Ì¤¢¤ê¤Þ¤·¤¿¡£(´°Á´¤Ç¤Ï¤Ê¤¤)
FIVA¤Î¥Ó¡¼¥ÈÂкö¢ª144MHzFIVA2.png
¡ÊPC¤ÎÃÖ¤Êý¤Ê¤É¤Ë¤è¤Ã¤Æ¤â¶¯¤¯¤Ê¤Ã¤¿¤ê¼å¤¯¤Ê¤Ã¤¿¤ê¤¹¤ë¡£¤è¤¯¤ï¤«¤é¤Ê¤¤¡Ë
InterLink¤Î¤Ð¤µ¤Ð¤µ¥Î¥¤¥º¤ÏBattưºî¤Ç¤âRS232¤ò·Ò¤¤¤Ç¤Ê¤¯¤Æ¤â½Ð¤ë¤Î¤Ç¡¢Âкö¤ÎÊýË¡¤¬Ìµ¤µ¤½¤¦¡£
RS232Àܳ¤Î»þ¤ÏUSBÊÑ´¹¥±¡¼¥Ö¥ë·Ðͳ¤Ç¤¹¤¬¡¢Àܳ¤Ë¤è¤ëÁý²Ã¤ÏFIVA102¤Û¤É¤Ç¤Ï¤Ê¤¯¾¯¤Ê¤¤¡£
¡Ê145MHz¤Ï¾¯¤Ê¤¤¤¬¡¢29MHz¤Ç¤Ï¿¤¤¡Ë
¤Þ¤¿¡¢²È¤Ç¤Ï¥È¥é¥ó¥·¡¼¥Ð¡¼¤Ï¥È¥é¥ó¥¹»ÈÍѤΰÂÄ경ş»¤Çư¤«¤·¤Æ¤¤¤Þ¤¹¡£
¥È¥é¥ó¥·¡¼¥Ð¡¼Â¦¤ò½©·î¤Î¥¹¥¤¥Ã¥Á¥ó¥°ÅŸ»¤Ë¤¹¤ë¤È¡¢¥Î¥¤¥º¤¬Â¿¤¯¤Ê¤Ã¤Æ144MHz¤Ø¤Î±Æ¶Á¤¬Â¿¤¯¤Ê¤Ã¤Æ¤¤Þ¤·¤¿¡£
¤³¤Î»þ¡¢PC¤ÎAC¥¢¥À¥×¥¿¤Î½Ð¸ý¤Ë¥Ñ¥Ã¥Á¥ó¥Á¥ç¡¼¥¯¤ò¤Ä¤±¤¿¤éÄ㸺¸ú²Ì¤¬¤¢¤ê¤Þ¤·¤¿¡£
¤³¤ì¤Ç¤â´°Á´¤Ë¤Ï̵¤¯¤Ê¤é¤Ê¤¤¤Î¤¬Çº¤ß¤É¤³¤í¤Ç¤¹¡£
¥Á¡¼¥à¡Ý£¶¡ó¤Ø¤Î¹×¸¥(¾ÊÅÅÎÏ)¡¡2006/12/18
¥Á¡¼¥à¡Ý£¶¡ó¤È¤¤¤¦¤Î¤Ï¡¢CO2¤ò-6%¸º¤é¤·¤Æ²¹ÃȲ½¤ò»ß¤á¤è¤¦¤È¤¤¤¦³èư¤Î»ö¤Ç¤¢¤ë¡£
²ÈÅŶȳ¦¤Ç¤Ï¿·À½ÉʤξÃÈñÅÅÎϤò¸º¤é¤¹¤³¤È¤Ï¡¢¤¹¤´¤¯½ÅÍפǡ¢CO2¤Îºï¸º¤Ë¹×¸¥¤·¤Æ¤¤¤ë¡£
¤À¤¬¡¢¡ÖºÇ¶á¤Î¥¢¥Þ¥Á¥å¥¢ÌµÀþµ¡´ï¤Ï¾ÃÈñÅÅÎϤ¬Â礤¤¡×¤È»×¤¦¤Î¤Ï»ä¤À¤±¤À¤í¤¦¤«¡©
¥«¥¿¥í¥°¤ò¸«¤ë¤È¼õ¿®¤À¤±¤Ç2A¶á¤¤¤Î¤Ï¤¶¤é¤Ç¤¢¤ë¡£¤³¤ì¤¸¤ã¡¢¥Á¡¼¥à¡Ý£¶¡ó¤ËÆþ¤ì¤Ê¤¤¤ó¤¸¤ã¤Ê¤¤¡©
TR751¤Ï¤«¤Ê¤ê¥¨¥³¡ÊÄã¾ÃÈñÅÅÎϡˤʥȥé¥ó¥·¡¼¥Ð¡¼¤Ç¤¢¤ë¤¬¡¢¤Á¤ç¤Ã¤ÈÁ°¤Îʪ¤Ê¤Î¤Ç¾ÈÌÀ¤Ë¤Ï¥Ñ¥¤¥í¥Ã¥È¥é¥ó¥×(Åŵå)¤ò»È¤Ã¤Æ¤¤¤Æ¡¢¤·¤«¤â¾ï»þÅÀÅô¤·¤Æ¤¤¤ë¡£
¤³¤ì¤òÇò¿§LED¤ËÊѤ¨¤Æ¤µ¤é¤Ë¾ÃÈñÅÅÎϤòºï¸º¤·¤Æ¤ß¤Þ¤·¤¿¡£
| TR751 | 144MHz¥ª¡¼¥ë¥â¡¼¥É | ¼Â¬ | |
|---|---|---|---|
| RX | FM 0.42Amin | ¡¡ | SSB 0.5Amin |
| TX | FMhi(10W) 2.95A | FMlow 1.35A | SSB 0.8Amin |
¥Ñ¥¤¥í¥Ã¥È¥é¥ó¥×¤Ï¼þÇÈ¿ôɽ¼¨¤Ë£²¥ö¡¢S¥á¡¼¥¿¡¼¤Ë£±¥ö»È¤Ã¤Æ¤¤¤ë¡£
²óÏ©¿Þ¢ªTR751_LED1s.png
PL301,302¤¬¼þÇÈ¿ôɽ¼¨ÍѤǥѥ¤¥í¥Ã¥È¥é¥ó¥×¤ÏÎÐ¥¥ã¥Ã¥×¤Ç¿§¤ò½Ð¤·¤Æ¤ë¤Î¤Ç¡¢ÎÐ¥¥ã¥Ã¥×¤Ï¤½¤Î¤Þ¤Þ»È¤Ã¤ÆÃæ¤Ë¥Á¥Ã¥×·¿¤ÎÇò¿§LED¤ò»Å¹þ¤ß¤Þ¤·¤¿¡£
S¥á¡¼¥¿¡¼ÍѤϥ᡼¥¿¡¼ÆâÉô¤ËÀßÃÖ¤µ¤ì¤Æ¤¤¤Æ¡¢¤½¤Î¤Þ¤Þ¸ò´¹¤·¤¿¤é¸÷¤¬ÊФäƤ·¤Þ¤Ã¤¿¤Î¤Ç¡¢¥á¡¼¥¿¡¼¾åÉô¤«¤é¾È¤é¤¹¤è¤¦¤ËÊѹ¹¤·¤Þ¤·¤¿¡£
·ë²Ì¤Ï-100mA !¡£¤³¤ì¤Ç¥Ð¥Ã¥Æ¥ê±¿ÍѤΤâ¤Á¤â¤µ¤é¤ËÎɤ¯¤Ê¤ê¤Þ¤·¤¿¡£
¡ÊÂê̾¤Î³ä¤ê¤ËCo2ºï¸º¤Ï¤´¤¯¶Ï¤«¡¦¡¦¡¦¡Ë¡¡
UTV-120B¤ÈGigaSt¡¡2006/10/20
¿ô¥ö·îÁ°¤Ë¥ª¡¼¥¯¥·¥ç¥ó¤Ç¥³¥ó¥Ñ¥¯¥È¤µ¤Ë¼æ¤«¤ì¤ÆUTV-120B¤òÆþ¼ê¤·¤¿¡£
¥¸¥ã¥ó¥¯°·¤¤¤È¤¤¤¦¤³¤È¤À¤Ã¤¿¤·(¤½¤Î³ä¤Ë¤Ï¤Á¤ç¤Ã¤È¹â¤«¤Ã¤¿¡ËÅö½é¤Î¥Á¥§¥Ã¥¯¤Ç¤Ï²õ¤ì¤Æ¤¤¤ë¤È»×¤Ã¤Æ¤¤¤¿¡£
¼èÀâ¤ä²óÏ©¿Þ¤òõ¤·¤¿¤¬¥Þ¥Åŵ¡¤Ë¤â»Ä¤Ã¤Æ¤ª¤é¤º¡¢Æñµ·¤·¤Æ¤¤¤Þ¤·¤¿¡£
µ×¤·¤Ö¤ê¤Ë²¿¤È¤«¤Ç¤¤Ê¤¤¤«¤ÈÄ´¤Ù¤Æ¤ß¤¿¤é¡¢¤¢¤ì¡©Á÷¼õ¿®¤È¤â¤Á¤ã¤ó¤Èư¤¯¡£
¥á¡¼¥«¡¼À½¤Î¥Ñ¥ï¡¼·×¤¬¤Ê¤¤¤Î¤ÇÀµ³Î¤Ç¤Ï¤Ê¤¤¤¬¡¢½ÐÎϤÏ0.6W°Ì¤Ï½Ð¤Æ¤¤¤ë¤è¤¦¤À¡£
- ²õ¤ì¤Æ¤¤¤ë¤È´ª°ã¤¤¤·¤¿Ìõ
- ¥¹¥¿¥ó¥Ð¥¤ÊýË¡¤¬Îɤ¯È½¤é¤º¡¢¼õ¿®¤·¤«¥Æ¥¹¥È¤·¤Æ¤Ê¤«¤Ã¤¿¡£
- 1295MHz¢Î145MHz¤À¤È»×¤Ã¤Æ¤¤¤¿¡£
- GigaSt¤Ç¥É¥ì¡¼¥¯2880¤ÈƱ¤¸Â¬¤êÊý¤ò¤·¤Æ¤â¥Ç¡¼¥¿¤¬½Ð¤Ê¤«¤Ã¤¿¡£
- º£²ó
- Ãæ¤òÄ´¤Ù¤ÆTr-Di¤«¤éÍè¤Æ¤ª¤êü»Ò¤ò¥·¥ç¡¼¥È¤¹¤ì¤ÐÎɤ¯¡¢¥¥ã¥ê¥³¥ó¤âư¤¯¤ÈȽ¤Ã¤¿¡£
- Xtal¤¬1269MHz¢Î145MHzÍѤˤʤäƤ¤¤¿¡ª±ÒÀ±¤Ë»È¤Ã¤Æ¤¿¡©¡ÊGood¡Ë
- GigaSt¤Î»È¤¤Êý¤Ç´ª°ã¤¤¤·¤Æ¤ë½ê¤¬¤¢¤Ã¤¿¡£
GigaSt¤Ç¥É¥ì¡¼¥¯2880¤Î¬Äê¤ÏIF¦¤ÎBAND1,TG,¼þÇÈ¿ô¥ª¥Õ¥»¥Ã¥È¤Ë¤·¤Æ¤¿¤¬¡¢¤³¤ì¤Ï¤¿¤Þ¤¿¤Þ¬¤ì¤¿¤À¤±¤Î¤è¤¦¤Ç¤¹¡£
¡Ê2.4GHzÍѤÎBand3,TG¤Ë¤¹¤ë¤È¥Ç¡¼¥¿¤Ï½Ð¤Ê¤«¤Ã¤¿¡Ë
¼þÇÈ¿ô¥ª¥Õ¥»¥Ã¥Èµ¡Ç½¤Ïɽ¼¨¤òÄɲ乤ë¤À¤±¤À¤Ã¤¿¤Î¤Ë¡¢TG¤Î¼þÇÈ¿ô¤â¥ª¥Õ¥»¥Ã¥È¤·¤Æ¤¯¤ì¤ë¤È´ª°ã¤¤¤·¤Æ¤¤¤Þ¤·¤¿¡£
¤³¤ÎÀßÄê¤Ç¤ÏTG¤ÏÉáÄ̤Ë145MHzÉÕ¶á¤ò½Ð¤·¤Æ¤ª¤ê¡¢2.4GHz¤Î¿®¹æ¤ÏÆâÉô¤ÎPLL¤äMIXÍѼþÇÈ¿ô¤Î´Ø·¸¤Ç¤¿¤Þ¤¿¤ÞÅÔ¹ç¤ÎÎɤ¤¥¹¥×¥ê¥¢¥¹¡©¤¬½Ð¤Æ¤¤¤¿¤È»×¤ï¤ì¤Þ¤¹¡£
¤½¤¦¤¤¤¨¤Ð¡¢¥Ç¡¼¥¿¤ÏÄã¤á¤À¤·¡¢»þ¡¹ÊѲ½¤·¤¿¤ê¡¢¼ÂºÝ¤Î¼õ¿®¤È¹ç¤ï¤Ê¤¤»ö¤â¤¢¤Ã¤¿¡£
GigaSt¤ÇUTV-120B¤Î¬Äê¤Ç¤ÏBAND1¤Ç¤ÏÂÌÌܤÇBAND2,TG¤Ç¥Ç¡¼¥¿¤¬½Ð¤Æ¤¤¿¡£
IFÅûÈ´¤±¡©¤«¤âÃΤì¤Ê¤¤¤¬²¿¤È¤Ê¤¯¤½¤ì¤é¤·¤¤ÆÃÀ¤Ë¤Ê¤Ã¤Æ¤¤¤Þ¤·¤¿¡£
GigaSt¤Ç¥³¥ó¥Ð¡¼¥¿¡¼¤ÎÆÃÀ¤ò¤Á¤ã¤ó¤È¬¤ë¤¿¤á¤Ë¤Ï¡¢¤â¤¦¤Ò¤È°ì¹©Éפ¬É¬Íפʤ褦¤Ç¤¹¡£
UTV-120B¤Ï¤â¤¦¾¯¤·Ä´À°¤·¤Æ¥ê¥Ë¥¢¥¢¥ó¥×¤òÍѰդ¹¤ì¤Ð¡¢P3E¤Ë»È¤¨¤ë¤«¤Ê¡©
TR-751¤Î¥ê¥¹¥È¥¢¡¡2006/5/8
Ï¢µÙÃæ¤ÎÀ®²Ì¤Ç¤¹¡£
¾¯¤·Á°¤«¤éTR-751¤¬¡ÖÅŸ»Å۵¤¬Ä㤤¤ÈÁ÷¿®¥Ñ¥ï¡¼¤ÎΩ¤Á¾å¤¬¤ê¤¬°¤¯£²Ãʳ¬¤Ç¾å¤¬¤ë¡£¡×¾É¾õ¤¬½Ð¤Æ¤¤Þ¤·¤¿¡£
12V̤Ëþ¤ÇÌÜΩ¤Ã¤Æ¤¯¤ë¤¬14V¤À¤ÈÌÜΩ¤¿¤Ê¤¤¤Î¤Ç»È¤Ã¤Æ¤Þ¤·¤¿¤¬¡¢¡ÖSSBÁ÷¿®¤Ç¥Ñ¥ï¡¼¤¬¼å¤¤´¶¤¸¡×¤Î¾É¾õ¤Ë¤âµ¤¤¬ÉÕ¤¤¤¿¤Î¤Ç¤³¤Îµ¡²ñ¤ËÄ´¤Ù¤Æ¸«¤Þ¤·¤¿¡£
¾É¾õ¤ÏÁ÷¿®»þ¤Î¤ß¤Ê¤Î¤ÇALC¤«ÅŸ»¤À¤í¤¦¤È¤¢¤¿¤ê¤ò¤Ä¤±¤Æ¥Æ¥¹¥¿¡¼¤ä¥ª¥·¥í(SDS200)¤ÇÄ´¤Ù¤Æ¹Ô¤Ã¤¿½ê¡¢¡Ö-6V¡×¤¬²ø¤·¤¤ÊÑÆ°¤ò¤·¤Æ¤¤¤ë»ö¤¬È½¤ê¤Þ¤·¤¿¡£
¤³¤ì¤Ï¥Þ¥ë¥Á¥Ð¥¤¥Ö¥ì¡¼¥¿²óÏ©¤Çȯ¿¶¤·¤¿¤Î¤ò¥À¥¤¥ª¡¼¥É¤ÇÀ°Î®¤·¡¢¥Ä¥§¥Ê¡¼¤Ç°ÂÄê²½¤µ¤»¤Æ-6V¤òºî¤ë²óÏ©¤Ç¤¹¡£
¤³¤Îȯ¿¶¤¬Å۵¤¬²¼¤¬¤ë¤È¼þÇÈ¿ô¤âÊÑÆ°¤·ÉÔ°ÂÄê¤Ë¤Ê¤Ã¤Æ¤¤¤Þ¤·¤¿¡£
²óÏ©¿ÞTR-751_-6v.gif
ÆþÎϦ¤Î¥±¥ß¥³¥óC137 47uF¤¬ÄãÇØÉʤÀ¤Ã¤¿¤Î¤Ç¡¢È´¤±¤Æ¤¤¤Ê¤¤¤«¸ò´¹¤·¤Æ¤ß¤ë¤È¡£¾É¾õ¤Ï¾¯¤·²þÁ±¤·¤Þ¤·¤¿¤¬´°Á´¤Ç¤Ï¤¢¤ê¤Þ¤»¤ó¡£³°¤·¤¿¥±¥ß¥³¥ó¤ò¬¤Ã¤Æ¤ß¤Æ¤â¤¿¤¤¤·¤Æ¸º¤Ã¤Æ¤¤¤Ê¤¤¤è¤¦¤Ê¡©
¥±¥ß¥³¥ó¸ò´¹¤Ê¤É¤Ç¸µ¡¹¤ÎÄê¿ô¤É¤¦¤ê¤Ë¤·¤Æ¤â¤Á¤ã¤ó¤Èľ¤ë¤«²ø¤·¤¯¤Ê¤Ã¤Æ¤¤Þ¤·¤¿¡£Àß·×¾å¤Î;͵¤¬Ìµ¤¤¤Î¤«¡©
Å۵¤¬²¼¤¬¤Ã¤Æ¤âȯ¿¶¤¬°ÂÄꤹ¤ë¤è¤¦¤Ë¸¡Æ¤¤·¤¿¤È¤³¤í¡¢UNIT¤ÎR1 2.7k¤ò¾®¤µ¤¯¤¹¤ë¤Î¤¬¸ú²ÌŪ¤Ç¤·¤¿¡£
39k¤ò¥Ñ¥éÉÕ¤±(²óÏ©¿Þ¤Î±ôÉ®½ñ¤)¤·¢â2.53k(-6.5%)¤Ë¤·¤¿¤é¡¢11.5V¤Ç¤â°ÂÄꤷ¤Æ¤¤¤ë»ö¤¬³Îǧ¤Ç¤¤Þ¤·¤¿¡£
¤³¤ì¤ÇFO-29¤Ø¤ÎUP¤âÎɤ¯¤Ê¤Ã¤¿´¶¤¸¤¬¤·¤Þ¤¹¡£
C620¤ò¥ê¥¹¥È¥¢¡¡2006/5/1
Á°²óAO-51,L¥â¡¼¥É¤Ë0.3W¤ÇÄ©À路¤¿¤¬ÂÌÌܤÀ¤Ã¤¿¤Î¤Ç¡¢C620¤ÎÃæ¸Å¤ò¥ª¡¼¥¯¥·¥ç¥ó¤Ç¹ØÆþ¤·¤Þ¤·¤¿¡£
¤â¤Ã¤ÈÁ°¤«¤éÁÀ¤Ã¤Æ¤¤¤¿¤Î¤Ç¤¹¤¬¡¢ºÇ¸å¤Î¶¥¤¤¹ç¤¤¤Ë¤Ä¤¤¤Æ¤¤¤±¤Ê¤¯¤Æº£²ó¤ä¤Ã¤È¤Ç¤·¤¿¡£
ÉÔ¶ñ¹ç¤È¤·¤Æ¡Ö²»¤¬¾®¤µ¤¤¡×¤Ïλ¾µ¤º¤ß¤À¤Ã¤¿¤Î¤Ç¤¹¤¬¡¢»î¤·¤Æ¤ß¤ë¤È²»¤¬½Ð¤Ê¤¤¤³¤È¤âͤ뤷½¤Íý¤·¤Ê¤¤¤È»È¤¤Æñ¤¤¾õÂ֤Ǥ·¤¿¡£¹¬¤¤Á÷¿®¤ÏÌäÂê¤Ê¤¤¤è¤¦¤Ç¤¹¡£
Ä´¤Ù¤Æ¸«¤ë¤ÈC520,620¤Ï¥±¥ß¥³¥óÍÆÎÌÈ´¤±¤¬Â¿¤¤¤é¤·¤¯¡¢½¤Íý¤òÀÁ¤±É餦¿Í¤Þ¤Çµï¤Þ¤·¤¿¡£
¹¬¤¤¼èÀâ¡¢²óÏ©¿Þ¤Ä¤¤À¤Ã¤¿¤Î¤Ç¡¢AudioAMPÉô¤Î²ø¤·¤½¤¦¤ÊC285,C323¤ò¥ª¥·¥í(SDS200)¤Ç¸«¤¿¤é¥¹¥±¥ë¥Á¥ª¡¼¥×¥ó¤Ç100kHz¤Î¥ê¥Ã¥×¥ë¤¬¾è¤Ã¤Æ¤Þ¤·¤¿¡£ÌÀ¤é¤«¤ËÍÆÎÌÈ´¤±¤·¤Æ¤¤¤Þ¤¹¡£
¥Á¥Ã¥×¥±¥ß¥³¥ó¤ÏȾÅĤ³¤Æ£²ËܤÇξÊý¤Îü»Ò¤òÃÈ¤á¤Æ³°¤·¤Þ¤·¤¿¡£
| RefNo | Äê³Ê | ¬ÄêÃÍ | ½¤Íý | È÷¹Í |
|---|---|---|---|---|
| BackUpBatt | 2.85V | ¤½¤Î¤Þ¤Þ | ||
| C226 | 33uF/6.3V | 28uF | ¤½¤Î¤Þ¤Þ | °Õ³°¤È¸º¤Ã¤Æ¤Ê¤«¤Ã¤¿ |
| C285 | 1uF/50V | 4nF | ¸ò´¹ | 430¤Ï¤³¤ì¤¬¸¶°ø |
| C323 | 1uF/50V | 6nF | ¸ò´¹ | 1.2G¤Ï¤³¤ì¤¬¸¶°ø |
| C241 | 1uF/50V | 0.2uF | ¸ò´¹ | ¸º¤Ã¤Æ¤¤¤¿ |
¸ò´¹ÉôÉʤϼê»ý¤Á¤Î¥¿¥ó¥¿¥ë1uF/16V¤ò»È¤¤¤Þ¤·¤¿¡£¥¿¥ó¥¿¥ë¤ÏÄê³ÊÅ۵¤Ë;͵¤ò»ý¤Ã¤Æ»È¤ï¤Ê¤¤¤È¤¤¤±¤Þ¤»¤ó¤¬¡¢¥³¥³¤ÏÄ㤤¤Î¤ÇOK¤Ç¤¹¡£
¤³¤ì¤Ç¼õ¿®²»¤Î¾É¾õ¤Ï¸«»ö¤Ëľ¤ê¤Þ¤·¤¿¡ª
¤¿¤À¥Ó¡¼¥×²»¤Þ¤ÇÂ礤¯¤Ê¤Ã¤¿¤Î¤Ï¤¤¤¿¤À¤±¤Þ¤»¤ó¡£ºÇ½é¤«¤é¤«¡©
¥±¥ß¥³¥ó¤Ï²¹ÅÙ¤¬¹â¤¤¤Û¤ÉÍÆÎÌÈ´¤±¤·°×¤¤¤Î¤Ç²¼¤ÎÊý¤Î¤Ï¤Þ¤À¤Ç¤·¤¿¤¬¾å¤ÎÊý¤Ë¤¢¤ë¥Á¥Ã¥×¥±¥ß¥³¥ó¤Ï²ø¤·¤¤¤«¤â¤·¤ì¤Þ¤»¤ó¡£Á°¥â¥Ç¥ë¤ÎC500¤â»È¤Ã¤Æ¤¤¤Þ¤¹¤¬µ¤¤Ë¤Ê¤ë¾É¾õ¤Ï½Ð¤Æ¤¤¤Ê¤¤¤Î¤Ç¡¢Ä̾勵¥¤¥×¤Î¥±¥ß¥³¥ó¤ÏÂç¾æÉפ«¤È¹Í¤¨¤Æ¤¤¤Þ¤¹¡£
GigaSt.ver4¤È¥×¥ê¥¢¥ó¥×¡¡2005/11/14
²Æ¤ËͽÌó¤·¤¿¡¢GigaSt.ver4¥¥Ã¥È¤¬Íè¤Þ¤·¤¿¡£
RFÉô¤Ï´°À®¤·¤Æ¤ª¤ê¡¢CPU¥Ü¡¼¥É¤ÎÁȤßΩ¤Æ¤À¤±¤Ê¤Î¤Ç³Ú¤Ç¤¹¡££²Æü¤ÇÁȤßΩ¤Æ¡¢¥Á¥§¥Ã¥¯¤òºÑ¤Þ¤»¤ÆÌµ»öư¤¤Þ¤·¤¿¡£
¥¢¥Þ¥Á¥å¥¢¤Î»È¤¨¤ë¥¹¥Ú¥¢¥Ê¡Ü¥È¥é¥¸¥§¥Í¤ò¤¢¤Î²Á³Ê¤ÇÇÛÉÛ¤·¤Æ¤¯¤ì¤ë¤Î¤Ï´¶¼Õ¤Ç¤¹¡£
PS.¥³¥ó¥Ñ¥¯¥È¤Ê¥±¡¼¥¹¤òºî¤Ã¤Æ¤ß¤Þ¤·¤¿¡£»Í¶ù¤Ï¹ÂÉÕ¤ÌÚºà¤ÇÄìÌ̤ϥ¢¥ë¥ß¡¢¾åÌ̤ʤɤϥ¢¥¯¥ê¥ë¤Ç¤¹¡£
¤³¤ÎGigaStver4¤ÇFCZ¤Î435MHz¥×¥ê¥¢¥ó¥×¥¥Ã¥È¤òºî¤Ã¤ÆÄ´À°¤·¤¿¤Î¤Ç¤¹¤¬¡¢Îɤ¤¤Ç¤¹¤Í¡£
GAIN¤ä¼þÇÈ¿ôÆÃÀ¤â°ìÌÜÎÆÁ³¡£¤Û¤ó¤È¤Ë¤¹¤´¤¤¤Ç¤¹¡£
¤Þ¤¿¡¢¤³¤Î¥×¥ê¥¢¥ó¥×¤â¥±¡¼¥Ö¥ë¤¬Ã»¤¤¤·¸ú¤¯¤«¡©¤È»×¤Ã¤¿¤ó¤Ç¤¹¤¬¡¢¸ú²ÌÂç¤Ç¤·¤¿¡£¡Ê¤µ¤¹¤¬»û»Ò²°¥¥Ã¥È¡ª¡Ë
±ÒÀ±¤¬ÃÏÊ¿Àþ¶á¤¯¤Î¤È¤¤â°ÂÄꤷ¤ÆÊ¹¤¼è¤ì¤ë¤è¤¦¤Ë¤Ê¤ê¤Þ¤·¤¿¡£
¤³¤Î¥Ú¡¼¥¸¤ÎÌܼ¡
- µ¡´ï¤Î²þ¤¡¢½¤Íý¡¡¡¡Ìܼ¡
- FT817+HL50B ¤Î¾ÃÈñÅÅή¡¡2025/1/13
- Yaesu ¸ß´¹¥Þ¥¤¥¯ MH-42B ¤Î²þ¤¡¡2024/12/14-19
- FTdx1200 ¤ÎVerUp¡¡2024/11/24
- ¥é¥¸¥ª RF-P150 ¤Î½¤Íý¡¡2024/3/24-5/12
- DSO154pro¤Ï»È¤¨¤½¤¦¡¡2023/8/31-9/10
- TVÍÑHPF¤ÎÆÃÀ¡¡2023/7/9
- ¥Æ¥¹¥¿¡¼ Metex P-10,P-16¤Î½¤Íý¡¡2023/5/25-6/1
- LEDÅ۵·×¤Î¸Î¾ã¡¡2023/1/22
- TinySA¤ò¹ØÆþ¤·¤¿¡¡2022/10/16
- SONY ICF-7600D¤Î½¤Íý¡¡2022/9/19-25
- ADALM2000¤ò¹ØÆþ¡¡2020/9/22-10/5
- ɽÌ̼ÂÁõIC¤Î¼è¤ê³°¤·Êý¡¡2020/2/26
- Äã²Á³Ê¥ª¥·¥í¥¹¥³¡¼¥×¡¡2018/11/15¡¢2019/1¡¢2020/5
- ¥Ð¥ê¥ª Z-ing AVD-Sport-Pro ¤Î½¤Íý 2019/10/8
- ¥Ð¥ê¥ª Flytec 6005 ¤Î½¤Íý 2018/11/19
- £¹V¥¢¥ë¥«¥êÅÅÃÓ¤¬Çúȯ¡ª¡¡2017/7/26
- ¥Î¡¼¥È¥Ñ¥½¥³¥óÍѥХåƥ꡼¥Ñ¥Ã¥¯¤ÎήÍÑ¡¡2016/12/25
- ¥¿¥ó¥¿¥ë¥³¥ó¥Ç¥ó¥µ¤«¤é±ì¡ª¡¡2016/11/23
- STANDARD C-401 ¤Î½¤Íý¡¡2016/5/17
- Z-ing¡¡AVD100¤¬¸Î¾ã¤·¤¿¡¡2016/4/29
- ¥Þ¥¤¥¯¥í¥«¥»¥Ã¥È¥ì¥³¡¼¥À¡¼¤Î½¤Íý¡¡2015/10/8
- ¥¦¥©¡¼¥¯¥Þ¥ó¤Î½¤Íý¡¢¤½¤Î£²¡¡2015/8/30¡¢9/2
- ¥¦¥©¡¼¥¯¥Þ¥ó¤Î½¤Íý¡¡2015/8/30¡¢9/9
- Let's note CF-Y8¤Î¸Î¾ã¡¡2014/12/4-6
- Nexus7¤Î½¤Íý¡¡2014/7/12¡¢10/19
- ¥Î¡¼¥È¥Ñ¥½¥³¥ó¤Î¥Ð¥Ã¥¯¥é¥¤¥È¸Î¾ã¡¡2013/4/7¡¢2014/11/23
- AC¥¢¥À¥×¥¿¡¼¤ÎÅ۵Êѹ¹¡¡2013/1/4
- ¥Ï¡¼¥É¥Ç¥£¥¹¥¯¸Î¾ã¡¡2011/11/3
- ¥¬¥¤¥¬¡¼¥«¥¦¥ó¥¿¤Î½¤Íý¡¡2011/9/18
- ²ÈÄíÍÑ¥×¥é¥Í¥¿¥ê¥¦¥à Home Star Pro ¤Î²þ¤¡¡2010/12/30
- ¥Î¡¼¥È¥Ñ¥½¥³¥ó¤Î²þ¤¡¡2010/12/26
- TS-680¤Î¥Á¥å¡¼¥ó¡¡2008/12/5
- C620½¤Íý¤Ê¤É¡¡2008/9/1-2
- ¥±¡¼¥Ö¥ëÉÔÎÉ¡¡¡¡2008/4/27
- TR-751¤Î½¤Íý¡¡2008/2/9.15
- HF¤ò¥Ñ¥ï¡¼¥¢¥Ã¥×¡¡2007/7/13-9/2
- ¥¤¥ó¥Ð¡¼¥¿¡¼·Ö¸÷Åô¤Î½¤Íý¡¡2007/3/16
- ¥Ñ¥½¥³¥ó¤Î¥Ó¡¼¥ÈÂкö¡¡2007/1/10
- ¥Á¡¼¥à¡Ý£¶¡ó¤Ø¤Î¹×¸¥(¾ÊÅÅÎÏ)¡¡2006/12/18
- UTV-120B¤ÈGigaSt¡¡2006/10/20
- TR-751¤Î¥ê¥¹¥È¥¢¡¡2006/5/8
- C620¤ò¥ê¥¹¥È¥¢¡¡2006/5/1
- GigaSt.ver4¤È¥×¥ê¥¢¥ó¥×¡¡2005/11/14
- ¤³¤Î¥Ú¡¼¥¸¤ÎÌܼ¡

ºÇ½ª¹¹¿·»þ´Ö¡§2025/01/13 18:33:46